Specifications
Manuals
Brands
McQuay Manuals
Air Conditioner
M4MSD
31
32
33
34
35
36
37
38
39
40
31
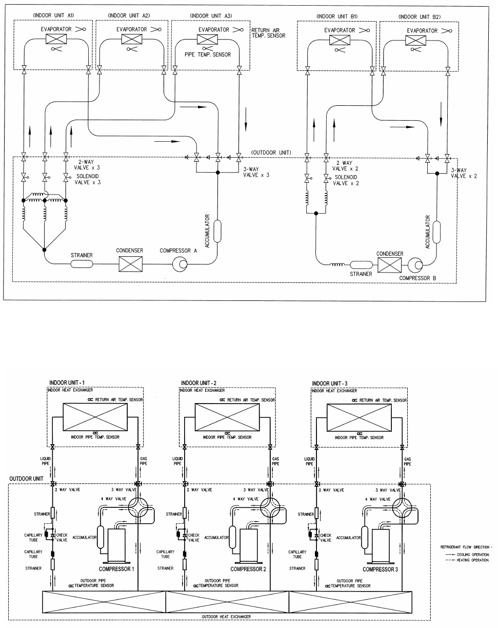
Model : MMSH66K555A
Model : M4MST 101010 / 101015 / 101515 / 151515AR
1
...
...
30
31
32
33
34
...
...
57