User manual

5
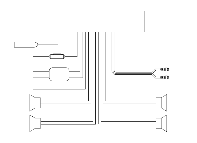
WIRING CONNECTIONS
1. All connections should be soldered and insulated with electrical tape.
2. Be sure to connect the red power input lead to + 12V power terminal after all the
other leads have been properly connected.
3. Run all ground wires to a common ground.
4. After all the connections are completed, press the “RESET” (26) button.
ANTENNA RELAY WIRE
A yellow wire has been provided for power antenna relays. The relay will automatically
activate the antenna when the unit is turned on and retract when unit is turned off.
CAUTION :
Do not hook up the yellow wire directly to the antenna or damage may occur to the unit.
WIRING CONNECTIONS
FOR FOUR SPEAKERS SYSTEM
ANTENNA CONNECTOR
MEMORY
BACK-UP
FRONT Lch
SPEAKER
GREEN
GREEN/BLACK
MAIN UNIT
RCA CABLE
FRONT Rch
SPEAKER
GREY
GREY/BLACK
IGNITION
SWITCH (B+)
POWER
ANTENNA
REAR Lch
SPEAKER
BLUE
BLUE/BLACK
REAR Rch
SPEAKER
WHITE
WHITE/BLACK
RED
BLACK
GROUND (B–)
PINK
CHOKE BOX
YELLOW
(GREY)
+
–
+
–
+
–
+
–
Rch RED
Lch WHITE










