Power Supply User Manual & Installation Guide
Manuals
Brands
Micro Technic Manuals
Power Supply
MICRONIX PC/104 PV-5120
1
2
3
4
5
6
7
8
Users Manual
& Installation Gui
de
PV-
SERIES
:
Power supp
ly module with UPS a
nd SSD Flash
Page 7 of 8
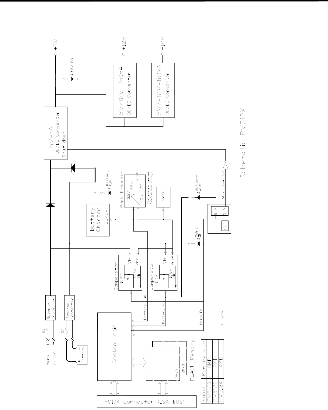
S
C
HEMA
TI
C
1
...
...
5
6
7
8