Datasheet
Table Of Contents
- Features
- Description
- Block Diagram
- SFR Mapping
- Pin Configurations
- Oscillators
- Enhanced Features
- Dual Data Pointer Register DPTR
- Expanded RAM (XRAM)
- Reset
- Power Monitor
- Timer 2
- Programmable Counter Array PCA
- Serial I/O Port
- Interrupt System
- Power Management
- Keyboard Interface
- 2-wire Interface (TWI)
- Serial Port Interface (SPI)
- Hardware Watchdog Timer
- ONCE(TM) Mode (ON Chip Emulation)
- Power-off Flag
- EEPROM Data Memory
- Reduced EMI Mode
- Flash Memory
- Electrical Characteristics
- Absolute Maximum Ratings
- DC Parameters
- AC Parameters
- Explanation of the AC Symbols
- External Program Memory Characteristics
- External Program Memory Read Cycle
- External Data Memory Characteristics
- External Data Memory Write Cycle
- External Data Memory Read Cycle
- Serial Port Timing - Shift Register Mode
- Shift Register Timing Waveforms
- External Clock Drive Waveforms
- AC Testing Input/Output Waveforms
- Float Waveforms
- Clock Waveforms
- Ordering Information
- Packaging Information
- Table of Contents

133
AT89C51ID2
4289C–8051–11/05
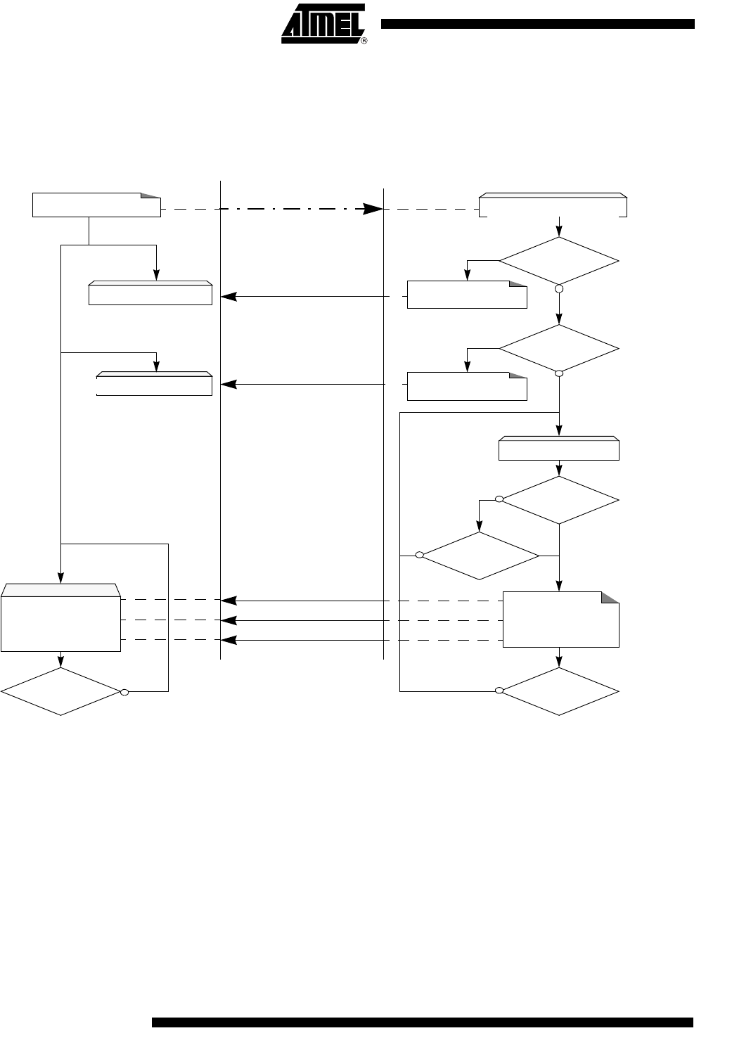
Display Data
Description
Figure 55. Display Flow
Note: The maximum size of block is 400h. To read more than 400h bytes, the Host must send a new command.
Host
B
oo
tl
oa
d
er
Display Command
’X’ & CR & LF
RD_WR_SECURITY
Wait Display Command
Read Data
Send Security Error
Send Display Data
Send Display Command
Wait Checksum Error
Wait Display Data
Wait Security Error
OR
COMMAND ABORTED
COMMAND FINISHED
Send Checksum Error
COMMAND ABORTED
’L’ & CR & LF
OR
"Address = "
All data read
Complet Frame
"Reading value"
CR & LF
All data readAll data read
COMMAND FINISHED
Checksum error










