Datasheet

Table Of Contents
411
SAM7S Series [DATASHEET]
6175M–ATARM–26-Oct-12
The receiver and transmitter operate separately. However, they can work synchronously by programming the
receiver to use the transmit clock and/or to start a data transfer when transmission starts. Alternatively, this can be
done by programming the transmitter to use the receive clock and/or to start a data transfer when reception starts.
The transmitter and the receiver can be programmed to operate with the clock signals provided on either the TK or
RK pins. This allows the SSC to support many slave-mode data transfers. The maximum clock speed allowed on
the TK and RK pins is the master clock divided by 2.
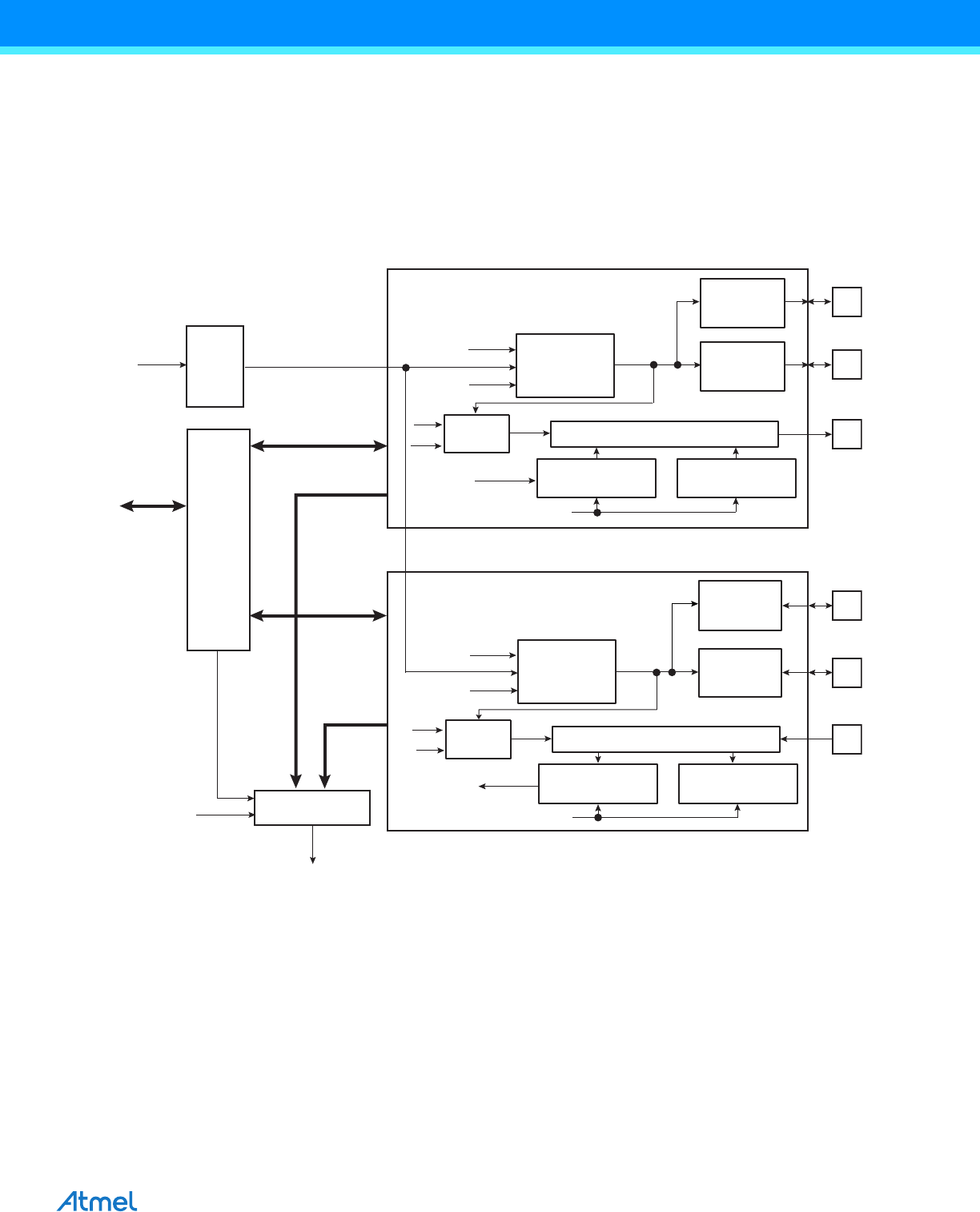
Figure 32-3. SSC Functional Block Diagram
32.6.1 Clock Management
The transmitter clock can be generated by:
an external clock received on the TK I/O pad
the receiver clock
the internal clock divider
The receiver clock can be generated by:
an external clock received on the RK I/O pad
the transmitter clock
the internal clock divider
Interrupt Control
AIC
User
Interface
APB
MCK
Receive Clock
Controller
Start
Selector
TX Clock
RK Input
RF
TF
Clock Output
Controller
Frame Sync
Controller
Transmit Clock
Controller
Transmit Shift Register
Start
Selector
Transmit Sync
Holding Register
Transmit Holding
Register
Load Shift
RX clock
TX clock
TK Input
TF
TX PDC
RF
RD
RF
RK
Clock Output
Controller
Frame Sync
Controller
Receive Shift Register
Receive Sync
Holding Register
Receive Holding
Register
Load Shift
TD
TF
TK
RX Clock
RX PDC
Receiver
PDC
Transmitter
Clock
Divider