Datasheet

Table Of Contents
5
SAM7S Series [DATASHEET]
6175M–ATARM–26-Oct-12
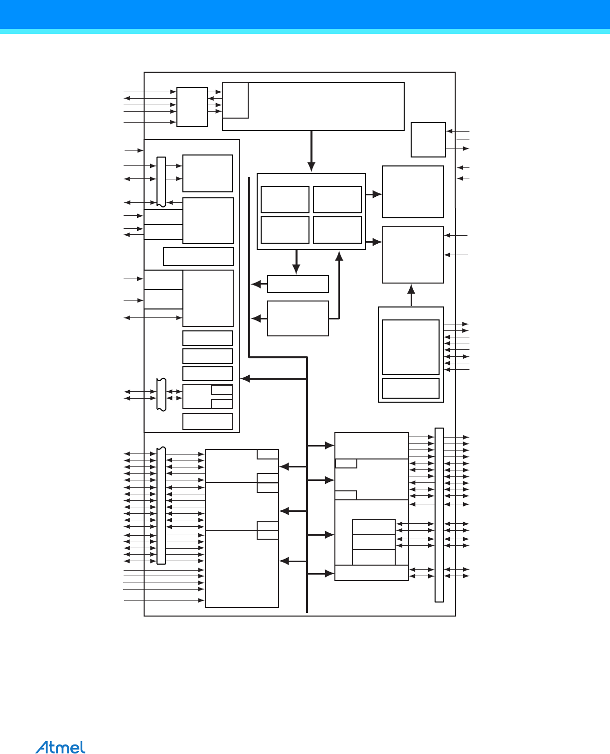
Figure 2-2. SAM7S32/16 Block Diagram
ROM
TDI
TDO
TMS
TCK
NRST
FIQ
IRQ0
PCK0-PCK2
JTAGSEL
RXD0
TXD0
SCK0
RTS0
CTS0
NPCS0
NPCS1
NPCS2
NPCS3
MISO
MOSI
SPCK
DRXD
DTXD
TF
TK
TD
RD
RK
RF
TCLK0
TIOA0
TIOB0
TIOA1
TIOB1
AD0
AD1
AD2
AD3
ADTRG
PLLRC
9 Channels
ADVREF
TWD
TWCK
XIN
XOUT
VDDIN
PWM0
PWM1
PWM2
PWM3
GND
VDDOUT
VDDCORE
VDDCORE
AD4
AD5
AD6
AD7
VDDFLASH
ERASE
PGMD0-PGMD7
PGMNCMD
PGMEN0-PGMEN2
PGMRDY
PGMNVALID
PGMNOE
PGMCK
PGMM0-PGMM3
VDDIO
TST
VDDCORE
SRAM
8/4 Kbytes
ARM7TDMI
Processor
Flash
32/16 Kbytes
APB
SAM-BA
PMC
Peripheral Bridge
Peripheral DMA
Controller
AIC
PLL
RCOSC
ICE
JTAG
SCAN
PIOA
USART0
SSC
Timer Counter
Reset
Controller
Memory Controller
Abort
Status
Address
Decoder
Misalignment
Detection
PIO
PIO
POR
Embedded
Flash
Controller
PDC
PDC
PDC
PDC
SPI
PDC
ADC
PDC
PDC
TC0
TC1
TC2
TWI
OSC
PWMC
1.8 V
Voltage
Regulator
BOD
Fast Flash
Programming
Interface
PIO
DBGU
PDC
PDC
PIO
PIT
WDT
RTT
System Controller