Datasheet

Table Of Contents
451
SAM7S Series [DATASHEET]
6175M–ATARM–26-Oct-12
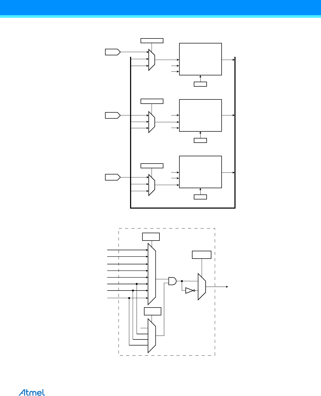
Figure 33-2. Clock Chaining Selection
Figure 33-3. Clock Selection
Timer/Counter
Channel 0
SYNC
TC0XC0S
TIOA0
TIOB0
XC0
XC1 = TCLK1
XC2 = TCLK2
TCLK0
TIOA1
TIOA2
Timer/Counter
Channel 1
SYNC
TC1XC1S
TIOA1
TIOB1
XC0 = TCLK2
XC1
XC2 = TCLK2
TCLK1
TIOA0
TIOA2
Timer/Counter
Channel 2
SYNC
TC2XC2S
TIOA2
TIOB2
XC0 = TCLK0
XC1 = TCLK1
XC2
TCLK2
TIOA0
TIOA1
TIMER_CLOCK1
TIMER_CLOCK2
TIMER_CLOCK3
TIMER_CLOCK4
TIMER_CLOCK5
XC0
XC1
XC2
TCCLKS
CLKI
BURST
1
Selected
Clock