Datasheet

Table Of Contents
501
SAM7S Series [DATASHEET]
6175M–ATARM–26-Oct-12
35. USB Device Port (UDP)
35.1 Overview
The USB Device Port (UDP) is compliant with the Universal Serial Bus (USB) V2.0 full-speed device specification.
Each endpoint can be configured in one of several USB transfer types. It can be associated with one or two banks
of a dual-port RAM used to store the current data payload. If two banks are used, one DPR bank is read or written
by the processor, while the other is read or written by the USB device peripheral. This feature is mandatory for iso-
chronous endpoints. Thus the device maintains the maximum bandwidth (1M bytes/s) by working with endpoints
with two banks of DPR.
Suspend and resume are automatically detected by the USB device, which notifies the processor by raising an
interrupt. Depending on the product, an external signal can be used to send a wake up to the USB host controller.
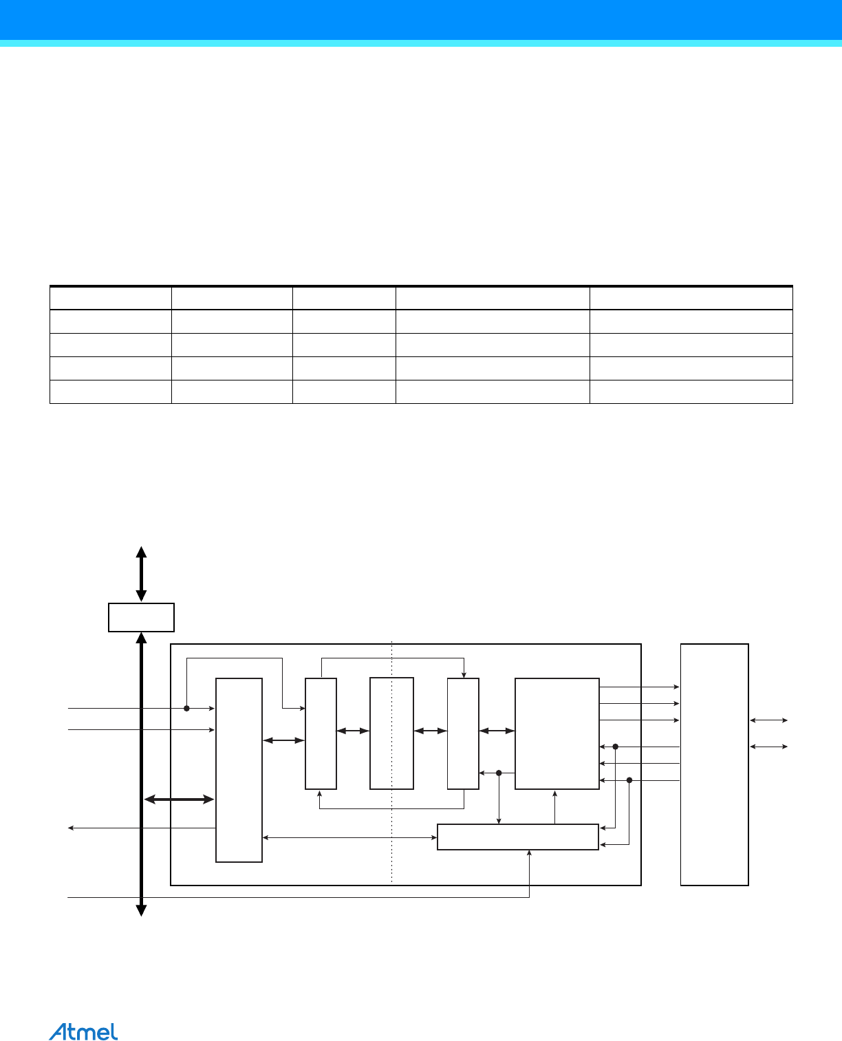
35.2 Block Diagram
Figure 35-1. Block Diagram
Access to the UDP is via the APB bus interface. Read and write to the data FIFO are done by reading and writing
8-bit values to APB registers.
Table 35-1. USB Endpoint Description
Endpoint Number Mnemonic Dual-Bank Max. Endpoint Size Endpoint Type
0 EP0 No 8 Control/Bulk/Interrupt
1 EP1 Yes 64 Bulk/Iso/Interrupt
2 EP2 Yes 64 Bulk/Iso/Interrupt
3 EP3 No 64 Control/Bulk/Interrupt
Atmel Bridge
12 MHz
Suspend/Resume Logic
W
r
a
p
p
e
r
W
r
a
p
p
e
r
U
s
e
r
I
n
t
e
r
f
a
c
e
Serial
Interface
Engine
SIE
MCK
Master Clock
Domain
Dual
Port
RAM
FIFO
UDPCK
Recovered 12 MHz
Domain
udp_int
USB Device
Embedded
USB
Transceiver
DP
DM
external_resume
APB
to
MCU
Bus
txoen
eopn
txd
rxdm
rxd
rxdp