Datasheet

Table Of Contents
456
SAM7S Series [DATASHEET]
6175M–ATARM–26-Oct-12
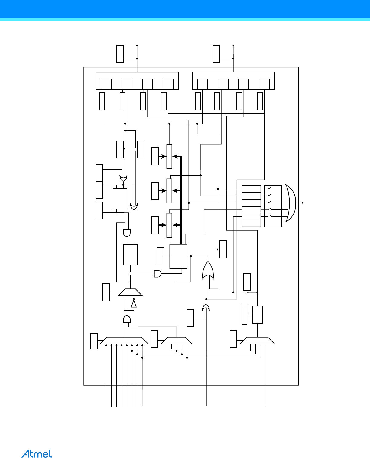
Figure 33-6. Waveform Mode
TCCLKS
CLKI
QS
R
S
R
Q
CLKSTA CLKEN CLKDIS
CPCDIS
BURST
TIOB
Register A Register B Register C
Compare RA = Compare RB =
Compare RC =
CPCSTOP
16-bit Counter
EEVT
EEVTEDG
SYNC
SWTRG
ENETRG
WAVSEL
TC1_IMR
Trig
ACPC
ACPA
AEEVT
ASWTRG
BCPC
BCPB
BEEVT
BSWTRG
TIOA
MTIOA
TIOB
MTIOB
CPAS
COVFS
ETRGS
TC1_SR
CPCS
CPBS
CLK
OVF
RESET
Output Controller
Output Controller
INT
1
Edge
Detector
Timer/Counter Channel
TIMER_CLOCK1
TIMER_CLOCK2
TIMER_CLOCK3
TIMER_CLOCK4
TIMER_CLOCK5
XC0
XC1
XC2
WAVSEL