Datasheet

Table Of Contents
448
SAM7S Series [DATASHEET]
6175M–ATARM–26-Oct-12
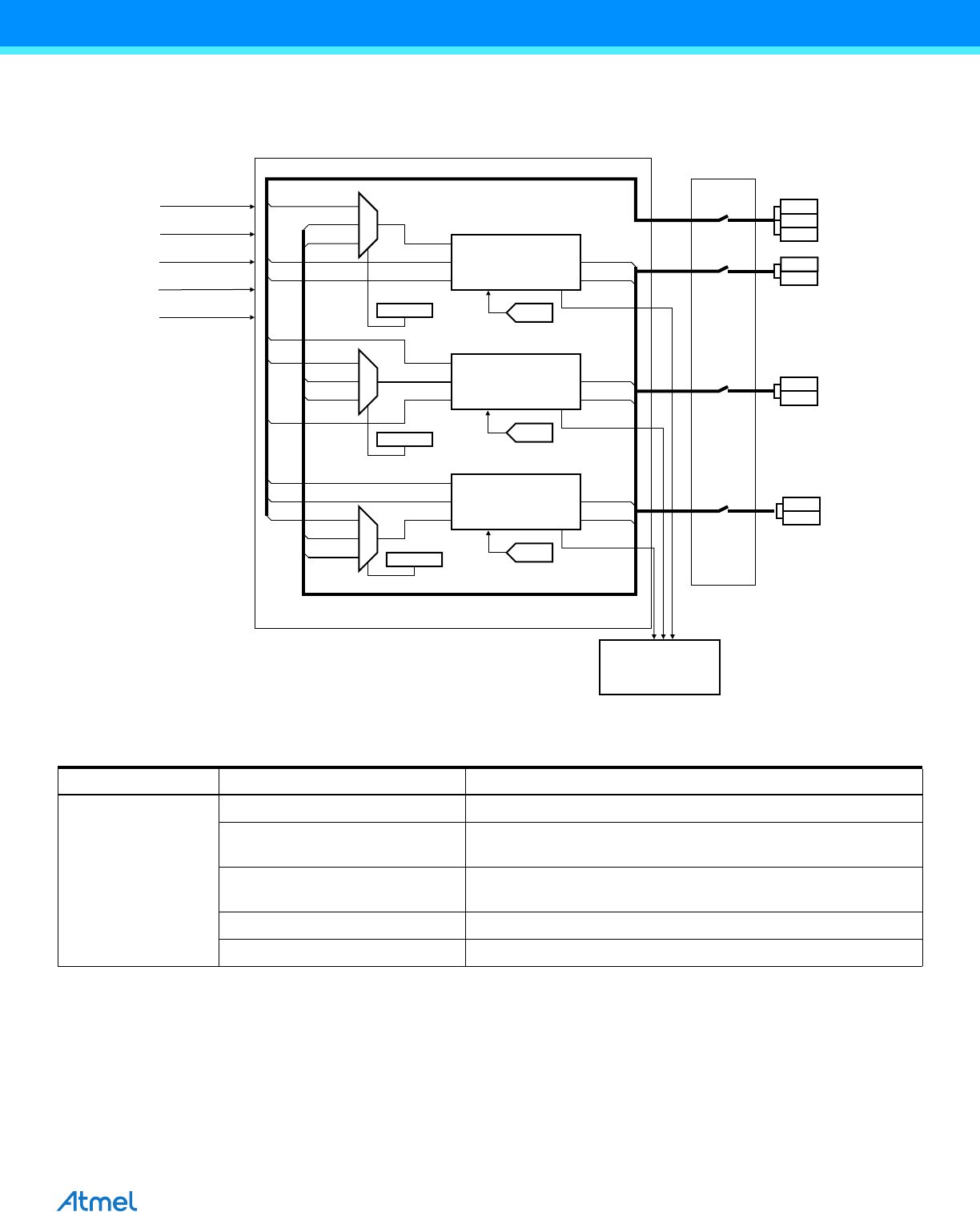
33.2 Block Diagram
Figure 33-1. Timer Counter Block Diagram
Timer/Counter
Channel 0
Timer/Counter
Channel 1
Timer/Counter
Channel 2
SYNC
Parallel I/O
Controller
TC1XC1S
TC0XC0S
TC2XC2S
INT0
INT1
INT2
TIOA0
TIOA1
TIOA2
TIOB0
TIOB1
TIOB2
XC0
XC1
XC2
XC0
XC1
XC2
XC0
XC1
XC2
TCLK0
TCLK1
TCLK2
TCLK0
TCLK1
TCLK2
TCLK0
TCLK1
TCLK2
TIOA1
TIOA2
TIOA0
TIOA2
TIOA0
TIOA1
Advanced
Interrupt
Controller
TCLK0
TCLK1
TCLK2
TIOA0
TIOB0
TIOA1
TIOB1
TIOA2
TIOB2
Timer Counter
TIOA
TIOB
TIOA
TIOB
TIOA
TIOB
SYNC
SYNC
TIMER_CLOCK2
TIMER_CLOCK3
TIMER_CLOCK4
TIMER_CLOCK5
TIMER_CLOCK1
Table 33-2. Signal Name Description
Block/Channel Signal Name Description
Channel Signal
XC0, XC1, XC2 External Clock Inputs
TIOA
Capture Mode: Timer Counter Input
Waveform Mode: Timer Counter Output
TIOB
Capture Mode: Timer Counter Input
Waveform Mode: Timer Counter Input/Output
INT Interrupt Signal Output
SYNC Synchronization Input Signal