Datasheet

Table Of Contents
504
SAM7S Series [DATASHEET]
6175M–ATARM–26-Oct-12
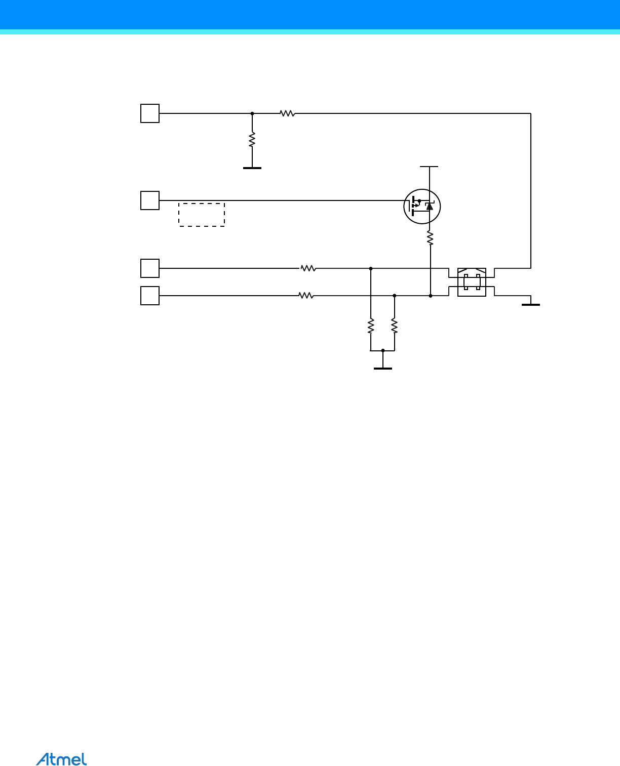
35.4 Typical Connection
Figure 35-2. Board Schematic to Interface USB Device Peripheral
35.4.1 USB Device Transceiver
The USB device transceiver is embedded in the product. A few discrete components are required as follows:
the application detects all device states as defined in chapter 9 of the USB specification;
pullup enable/disable
–VBUS monitoring
to reduce power consumption the host is disconnected
for line termination.
Pullup enable/disable is done through a MOSFET controlled by a PIO. The pullup is enabled when the PIO drives
a 0. Thus PIO default state to 1 corresponds to a pullup disable. Once the pullup is enabled, the host will force a
device reset 100 ms later. Bus powered devices must connect the pullup within 100 ms.
35.4.2 VBUS Monitoring
VBUS monitoring is required to detect host connection. VBUS monitoring is done using a standard PIO with inter-
nal pullup disabled. When the host is switched off, it should be considered as a disconnect, the pullup must be
disabled in order to prevent powering the host through the pull-up resistor.
When the host is disconnected and the transceiver is enabled, then DDP and DDM are floating. This may lead to
over consumption. A solution is to connect 330 KΩ pulldowns on DP and DM. These pulldowns do not alter DDP
and DDM signal integrity.
A termination serial resistor must be connected to DP and DM. The resistor value is defined in the electrical speci-
fication of the product (R
EXT
).
3V3
R
EXT
DDM
DDP
PIO
PIO
27 K
47 K
330 K
Type B
Connector
12
34
5V Bus Monitoring
Pullup Control
R
EXT
330 K
1.5K
0: Enable
1: Disable