Datasheet

Table Of Contents
3
ATmega32A [DATASHEET]
Atmel-8155D-AVR-ATmega32A-Datasheet_02/2014
2. Overview
The Atmel
®
AVR
®
ATmega32A is a low-power CMOS 8-bit microcontroller based on the AVR enhanced RISC
architecture. By executing powerful instructions in a single clock cycle, the ATmega32A achieves throughputs
approaching 1 MIPS per MHz allowing the system designer to optimize power consumption versus processing
speed.
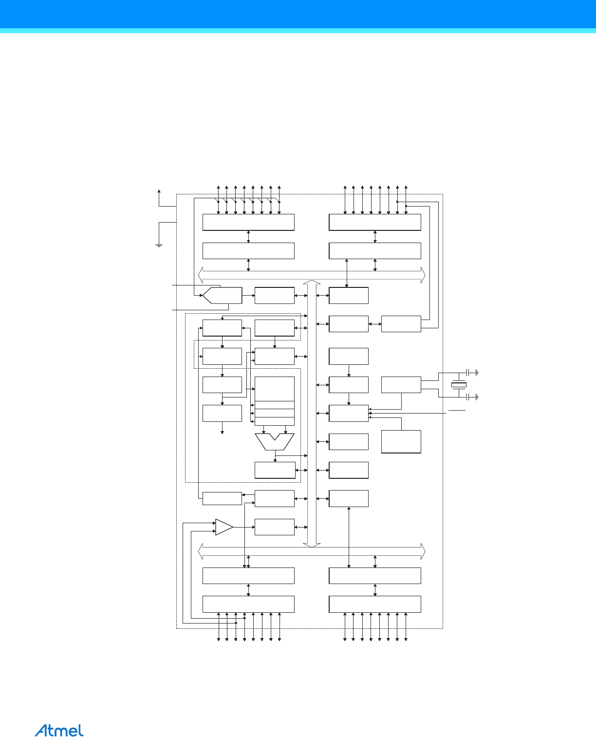
2.1 Block Diagram
Figure 2-1. Block Diagram
The Atmel
®
AVR
®
core combines a rich instruction set with 32 general purpose working registers. All the 32 regis-
ters are directly connected to the Arithmetic Logic Unit (ALU), allowing two independent registers to be accessed in
INTERNAL
OSCILLATOR
OSCILLATOR
WATCHDOG
TIMER
MCU CTRL.
& TIMING
OSCILLATOR
TIMERS/
COUNTERS
INTERRUPT
UNIT
STACK
POINTER
EEPROM
SRAM
STATUS
REGISTER
USART
PROGRAM
COUNTER
PROGRAM
FLASH
INSTRUCTION
REGISTER
INSTRUCTION
DECODER
PROGRAMMING
LOGIC
SPI
ADC
INTERFACE
COMP.
INTERFACE
PORTA DRIVERS/BUFFERS
PORTA DIGITAL INTERFACE
GENERAL
PURPOSE
REGISTERS
X
Y
Z
ALU
+
-
PORTC DRIVERS/BUFFERS
PORTC DIGITAL INTERFACE
PORTB DIGITAL INTERFACE
PORTB DRIVERS/BUFFERS
PORTD DIGITAL INTERFACE
PORTD DRIVERS/BUFFERS
XTAL1
XTAL2
RESET
CONTROL
LINES
VCC
GND
MUX &
ADC
AREF
PA0 - PA7 PC0 - PC7
PD0 - PD7PB0 - PB7
AVR CPU
TWI
AVCC
INTERNAL
CALIBRATED
OSCILLATOR