Datasheet

Table Of Contents
dsPIC30F6011A/6012A/6013A/6014A
DS70143E-page 12 © 2011 Microchip Technology Inc.
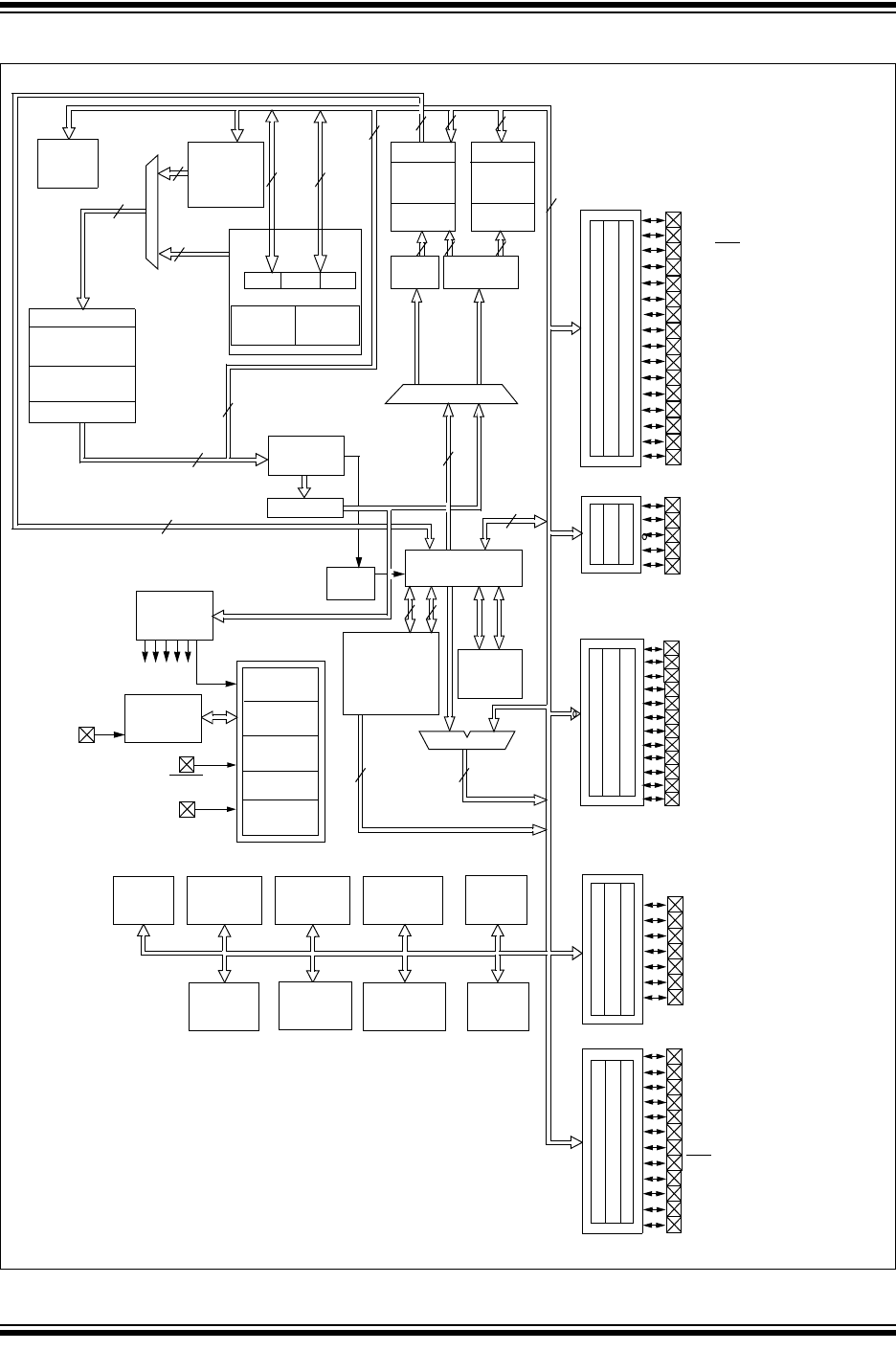
FIGURE 1-1: dsPIC30F6011A/6012A BLOCK DIAGRAM
AN8/RB8
AN9/RB9
AN10/RB10
AN11/RB11
Power-up
Timer
Oscillator
Start-up Timer
POR/BOR
Watchdog
Timer
Instruction
Decode &
Control
OSC1/CLKI
MCLR
V
DD
, V
SS
AN4/IC7/CN6/RB4
AN12/RB12
AN13/RB13
AN14/RB14
AN15/OCFB/CN12/RB15
Low-Voltage
Detect
UART1,
CAN2
Timing
Generation
CAN1,
AN5/IC8/CN7/RB5
16
PCH PCL
Program Counter
ALU<16>
16
24
24
24
24
X Data Bus
IR
I
2
C™
DCI
PGC/EMUC/AN6/OCFA/RB6
PGD/EMUD/AN7/RB7
PCU
12-bit ADC
Timers
SCK2/CN8/RG6
SDI2/CN9/RG7
SDO2/CN10/RG8
SS2
/CN11/RG9
Input
Capture
Module
Output
Compare
Module
EMUC1/SOSCO/T1CK/CN0/RC14
EMUD1/SOSCI/T4CK/CN1/RC13
T2CK/RC1
PORTB
C2RX/RG0
C2TX/RG1
SCL/RG2
SDA/RG3
PORTG
PORTD
16
16
16
16 x 16
W Reg Array
Divide
Unit
Engine
DSP
Decode
ROM Latch
16
Y Data Bus
Effective Address
X RAGU
X WAGU
Y AGU
AN0/V
REF
+/CN2/RB0
AN1/V
REF
-/CN3/RB1
AN2/SS1/LVDIN/CN4/RB2
AN3/CN5/RB3
OSC2/CLKO/RC15
AV
DD
, AV
SS
UART2
SPI2
16
16
16
16
16
PORTC
16
16
16
16
8
Interrupt
Controller
PSV & Table
Data Access
Control Block
Stack
Control
Logic
Loop
Control
Logic
Data LatchData Latch
Y Data
RAM
X Data
RAM
Address
Latch
Address
Latch
Control Signals
to Various Blocks
EMUC2/OC1/RD0
EMUD2/OC2/RD1
OC3/RD2
OC4/RD3
OC5/IC5/CN13/RD4
OC6/IC6/CN14/RD5
OC7/CN15/RD6
OC8/CN16/RD7
IC1/INT1/RD8
IC2/INT2/RD9
IC3/INT3/RD10
IC4/INT4/RD11
16
CSDI
(1)
/RG12
CSDO
(1)
/RG13
CSCK
(1)
/RG14
COFS
(1)
/RG15
T3CK/RC2
SPI1,
Address Latch
Program Memory
(Up to 144 Kbytes)
Data Latch
Data EEPROM
(Up to 4 Kbytes)
16
U2TX/CN18/RF5
EMUC3/SCK1/INT0/RF6
C1RX/RF0
C1TX/RF1
U1RX/SDI1/RF2
EMUD3/U1TX/SDO1/RF3
U2RX/CN17/RF4
PORTF
Note 1:
CSDI, CSDO, CSCK, and COFS are codec functions on dsPIC30F6012A only.