Datasheet

Table Of Contents
dsPIC30F6011A/6012A/6013A/6014A
DS70143E-page 62 © 2011 Microchip Technology Inc.
8.2 Configuring Analog Port Pins
The use of the ADPCFG and TRIS registers control the
operation of the ADC port pins. The port pins that are
desired as analog inputs must have their correspond-
ing TRIS bit set (input). If the TRIS bit is cleared (out-
put), the digital output level (V
OH or VOL) will be
converted.
When reading the Port register, all pins configured as
analog input channels will read as cleared (a low level).
Pins configured as digital inputs will not convert an ana-
log input. Analog levels on any pin that is defined as a
digital input (including the ANx pins) may cause the
input buffer to consume current that exceeds the
device specifications.
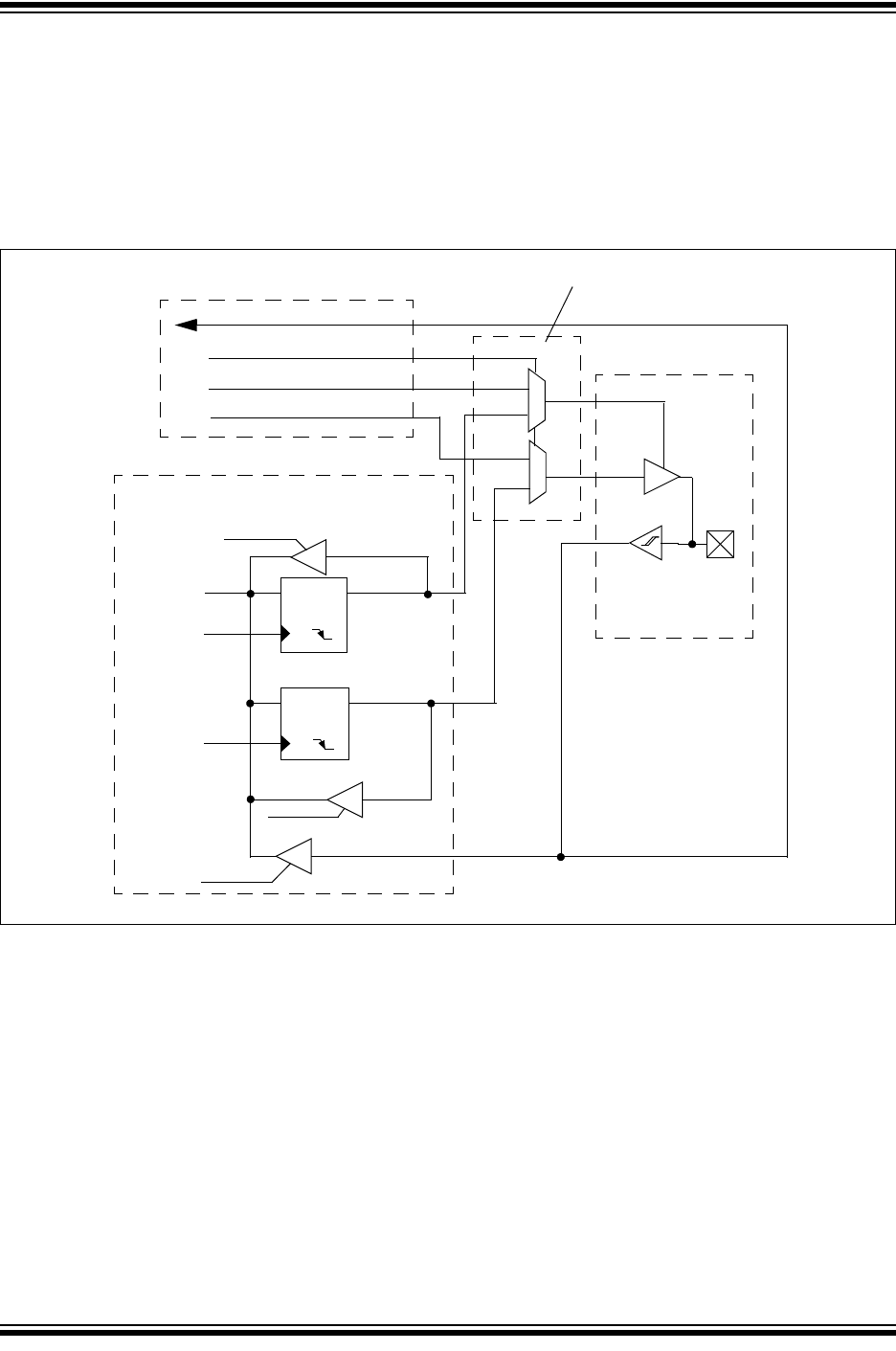
FIGURE 8-2: BLOCK DIAGRAM OF A SHARED PORT STRUCTURE
QD
CK
WR LAT +
TRIS Latch
I/O Pad
WR Port
Data Bus
QD
CK
Data Latch
Read LAT
Read Port
Read TRIS
1
0
1
0
WR TRIS
Peripheral Output Data
Output Enable
Peripheral Input Data
I/O Cell
Peripheral Module
Peripheral Output Enable
PIO Module
Output Multiplexers
Output Data
Input Data
Peripheral Module Enable