Datasheet

Table Of Contents
dsPIC30F6011A/6012A/6013A/6014A
DS70143E-page 78 © 2011 Microchip Technology Inc.
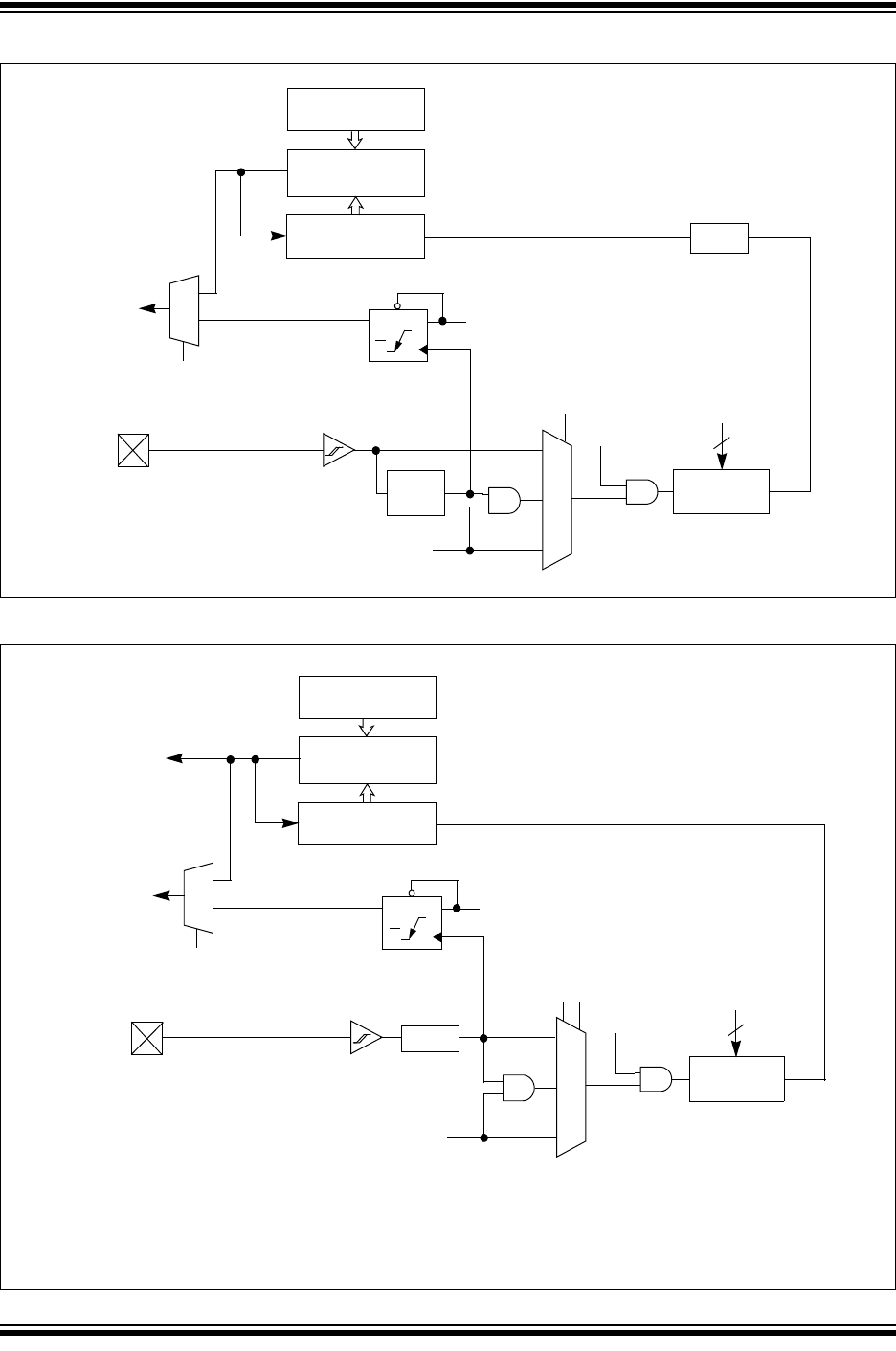
FIGURE 11-2: 16-BIT TIMER4 BLOCK DIAGRAM
FIGURE 11-3: 16-BIT TIMER5 BLOCK DIAGRAM
TON
Sync
PR4
T4IF
Equal
Comparator x 16
TMR4
Reset
Event Flag
TGATE
TCKPS<1:0>
Prescaler
1, 8, 64, 256
2
TGATE
T
CY
1
0
TCS
1 x
0 1
TGATE
0 0
Gate
T4CK
Sync
Q
QD
CK
TON
PR5
T5IF
Equal
Comparator x 16
TMR5
Reset
Event Flag
TGATE
TCKPS<1:0>
Prescaler
1, 8, 64, 256
2
TGATE
T
CY
1
0
TCS
1 x
0 1
TGATE
0 0
T5CK
ADC Event Trigger
Sync
Q
QD
CK
Note: In the dsPIC30F6011A and dsPIC30F6012A devices, there is no T5CK pin. Therefore, in this device the
following modes should not be used for Timer5:
TCS = 1 (16-bit Counter)
TCS = 0, TGATE = 1 (Gated Time Accumulation)