Datasheet

Table Of Contents
© 2011 Microchip Technology Inc. DS70143E-page 81
dsPIC30F6011A/6012A/6013A/6014A
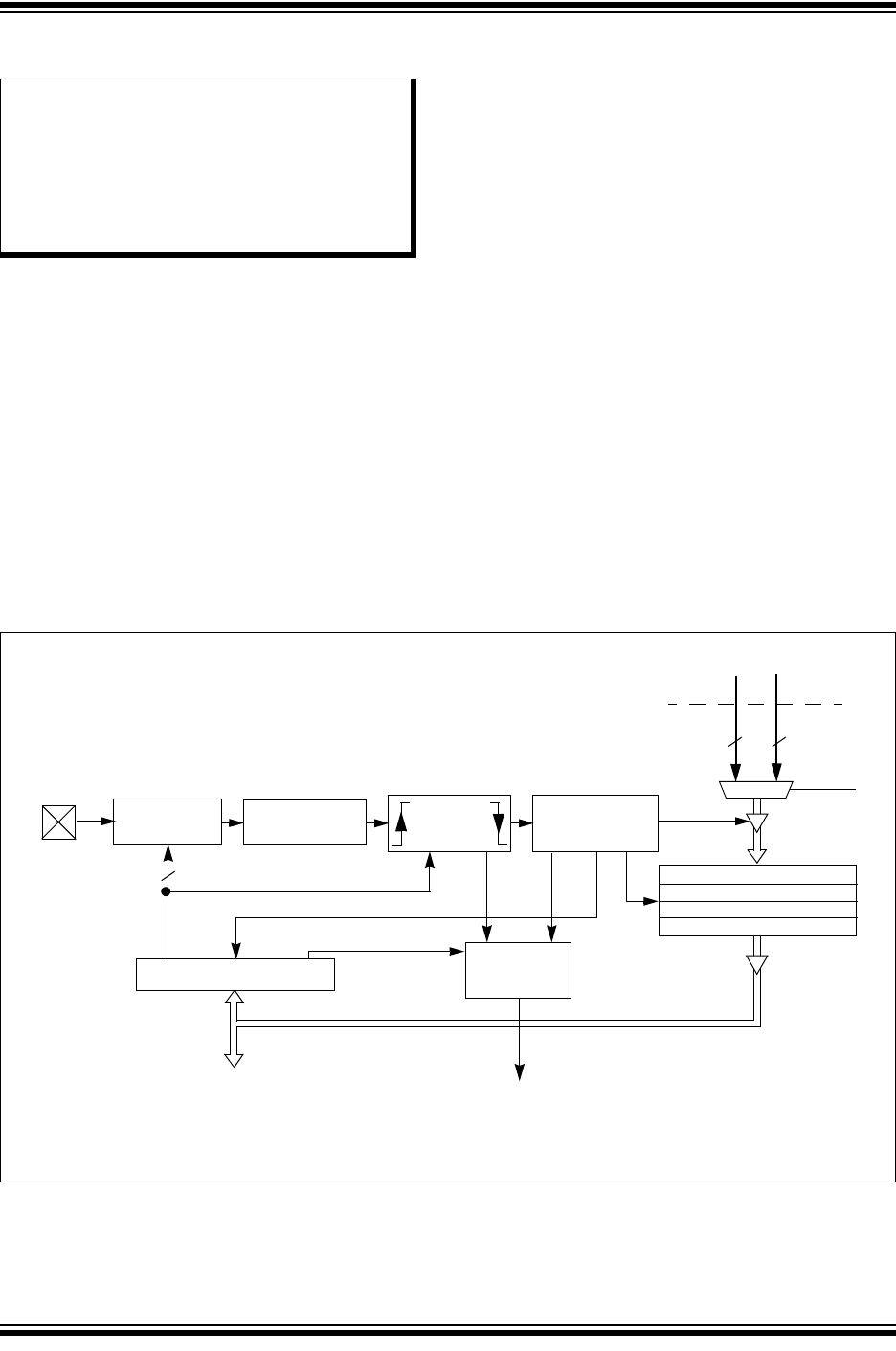
12.0 INPUT CAPTURE MODULE
This section describes the input capture module and
associated Operational modes. The features provided
by this module are useful in applications requiring fre-
quency (period) and pulse measurement. Figure 12-1
depicts a block diagram of the input capture module.
Input capture is useful for such modes as:
Frequency/Period/Pulse Measurements
Additional Sources of External Interrupts
The key operational features of the input capture
module are:
Simple Capture Event mode
Timer2 and Timer3 mode selection
Interrupt on input capture event
These Operating modes are determined by setting the
appropriate bits in the ICxCON register (where
x = 1,2,...,N). The dsPIC DSC devices contain up to 8
capture channels (i.e., the maximum value of N is 8).
12.1 Simple Capture Event Mode
The simple capture events in the dsPIC30F product
family are:
Capture every falling edge
Capture every rising edge
Capture every 4th rising edge
Capture every 16th rising edge
Capture every rising and falling edge
These simple Input Capture modes are configured by
setting the appropriate bits ICM<2:0> (ICxCON<2:0>).
12.1.1 CAPTURE PRESCALER
There are four input capture prescaler settings speci-
fied by bits ICM<2:0> (ICxCON<2:0>). Whenever the
capture channel is turned off, the prescaler counter will
be cleared. In addition, any Reset will clear the
prescaler counter.
FIGURE 12-1: INPUT CAPTURE MODE BLOCK DIAGRAM
Note: This data sheet summarizes features of
this group of dsPIC30F devices and is not
intended to be a complete reference
source. For more information on the CPU,
peripherals, register descriptions and
general device functionality, refer to the
dsPIC30F Family Reference Manual
(DS70046).
ICxBUF
Prescaler
ICx pin
ICM<2:0>
Mode Select
3
Note: Where ‘x’ is shown, reference is made to the registers or bits associated to the respective input capture
channels 1 through N.
10
Set Flag
ICxIF
ICTMR
T2_CNT
T3_CNT
Edge
Detection
Logic
Clock
Synchronizer
1, 4, 16
From General Purpose Timer Module
16 16
FIFO
R/W
Logic
ICI<1:0>
ICBNE, ICOV
ICxCON
Interrupt
Logic
Set Flag
ICxIF
Data Bus