Datasheet

Table Of Contents
© 2006 Microchip Technology Inc. DS70117F-page 151
dsPIC30F6011/6012/6013/6014
20.3 Reset
The dsPIC30F differentiates between various kinds of
Reset:
a) Power-on Reset (POR)
b) MCLR
Reset during normal operation
c) MCLR
Reset during Sleep
d) Watchdog Timer (WDT) Reset (during normal
operation)
e) Programmable Brown-out Reset (BOR)
f) RESET Instruction
g) Reset caused by trap lockup (TRAPR)
h) Reset caused by illegal opcode or by using an
uninitialized W register as an address pointer
(IOPUWR)
Different registers are affected in different ways by var-
ious Reset conditions. Most registers are not affected
by a WDT wake-up since this is viewed as the resump-
tion of normal operation. Status bits from the RCON
register are set or cleared differently in different Reset
situations, as indicated in Table 20-5. These bits are
used in software to determine the nature of the Reset.
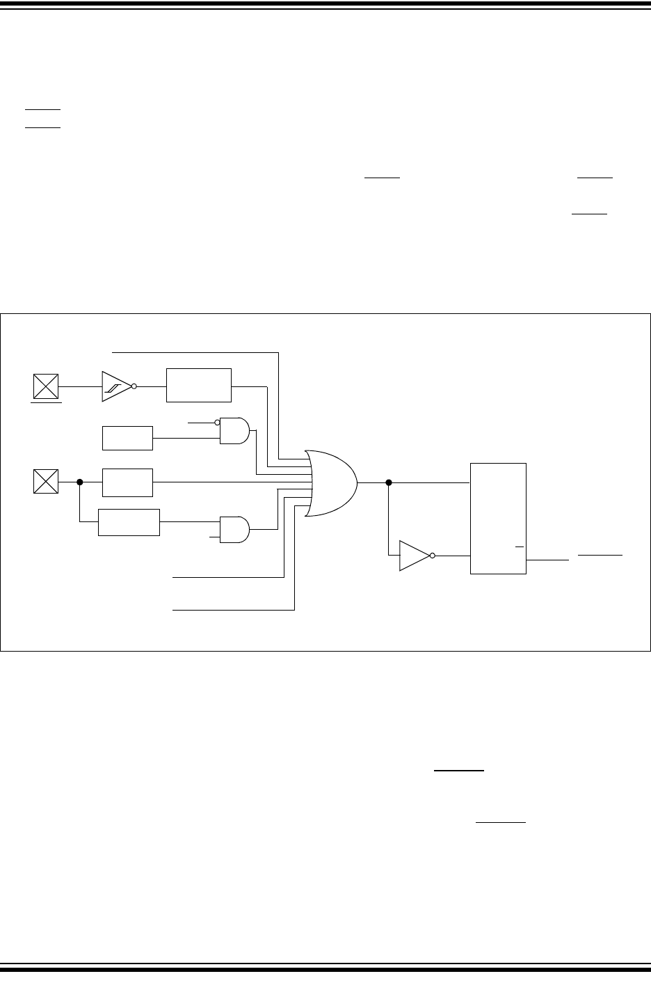
A block diagram of the On-Chip Reset Circuit is shown
in Figure 20-2.
A MCLR
noise filter is provided in the MCLR Reset
path. The filter detects and ignores small pulses.
Internally generated Resets do not drive MCLR pin low.
FIGURE 20-2: RESET SYSTEM BLOCK DIAGRAM
20.3.1 POR: POWER-ON RESET
A power-on event will generate an internal POR pulse
when a V
DD rise is detected. The Reset pulse will occur
at the POR circuit threshold voltage (V
POR) which is
nominally 1.85V. The device supply voltage character-
istics must meet specified starting voltage and rise rate
requirements. The POR pulse will reset a POR timer
and place the device in the Reset state. The POR also
selects the device clock source identified by the
oscillator configuration fuses.
The POR circuit inserts a small delay, T
POR, which is
nominally 10 μs and ensures that the device bias cir-
cuits are stable. Furthermore, a user selected power-
up time-out (T
PWRT) is applied. The TPWRT parameter
is based on device Configuration bits and can be 0 ms
(no delay), 4 ms, 16 ms, or 64 ms. The total delay is at
device power-up, T
POR + TPWRT. When these delays
have expired, SYSRST
will be negated on the next
leading edge of the Q1 clock and the PC will jump to the
Reset vector.
The timing for the SYSRST
signal is shown in
Figure 20-3 through Figure 20-5.
S
R
Q
MCLR
VDD
VDD Rise
Detect
POR
SYSRST
Sleep or Idle
Brown-out
Reset
BOREN
RESET
Instruction
WDT
Module
Digital
Glitch Filter
BOR
Trap Conflict
Illegal Opcode/
Uninitialized W Register