Datasheet

Table Of Contents
dsPIC30F6011/6012/6013/6014
DS70117F-page 70 © 2006 Microchip Technology Inc.
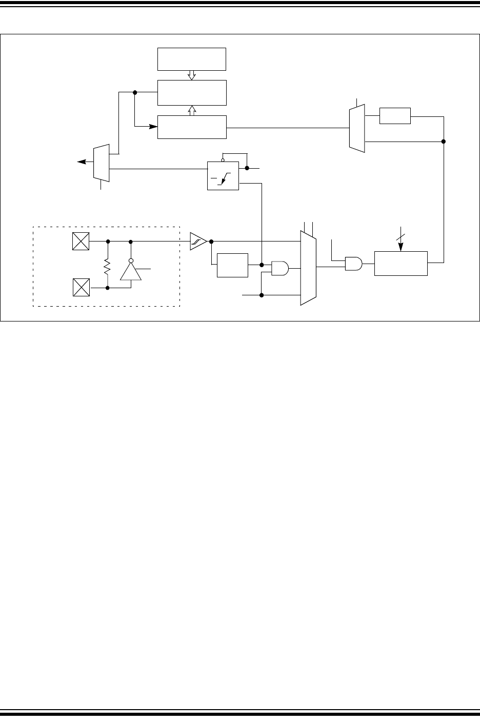
FIGURE 9-1: 16-BIT TIMER1 MODULE BLOCK DIAGRAM
9.1 Timer Gate Operation
The 16-bit timer can be placed in the Gated Time Accu-
mulation mode. This mode allows the internal T
CY to
increment the respective timer when the gate input sig-
nal (T1CK pin) is asserted high. Control bit TGATE
(T1CON<6>) must be set to enable this mode. The
timer must be enabled (TON = 1) and the timer clock
source set to internal (TCS = 0).
When the CPU goes into the Idle mode, the timer will
stop incrementing unless TSIDL = 0. If TSIDL = 1, the
timer will resume the incrementing sequence upon
termination of the CPU Idle mode.
9.2 Timer Prescaler
The input clock (FOSC/4 or external clock) to the 16-bit
Timer has a prescale option of 1:1, 1:8, 1:64 and 1:256,
selected by control bits TCKPS<1:0> (T1CON<5:4>).
The prescaler counter is cleared when any of the
following occurs:
a write to the TMR1 register
a write to the T1CON register
device Reset, such as POR and BOR
However, if the timer is disabled (TON = 0), then the
timer prescaler cannot be reset since the prescaler
clock is halted.
TMR1 is not cleared when T1CON is written. It is
cleared by writing to the TMR1 register.
9.3 Timer Operation During Sleep
Mode
During CPU Sleep mode, the timer will operate if:
The timer module is enabled (TON = 1) and
The timer clock source is selected as external
(TCS = 1) and
The TSYNC bit (T1CON<2>) is asserted to a logic
0’ which defines the external clock source as
asynchronous.
When all three conditions are true, the timer will con-
tinue to count up to the Period register and be reset to
0x0000.
When a match between the timer and the Period regis-
ter occurs, an interrupt can be generated if the
respective timer interrupt enable bit is asserted.
TON
Sync
SOSCI
SOSCO/
PR1
T1IF
Equal
Comparator x 16
TMR1
Reset
LPOSCEN
Event Flag
1
0
TSYNC
Q
QD
CK
TGATE
TCKPS<1:0>
Prescaler
1, 8, 64, 256
2
TGATE
T
CY
1
0
T1CK
TCS
1 x
0 1
TGATE
0 0
Gate
Sync