Datasheet

Table Of Contents
dsPIC30F6011/6012/6013/6014
DS70117F-page 96 © 2006 Microchip Technology Inc.
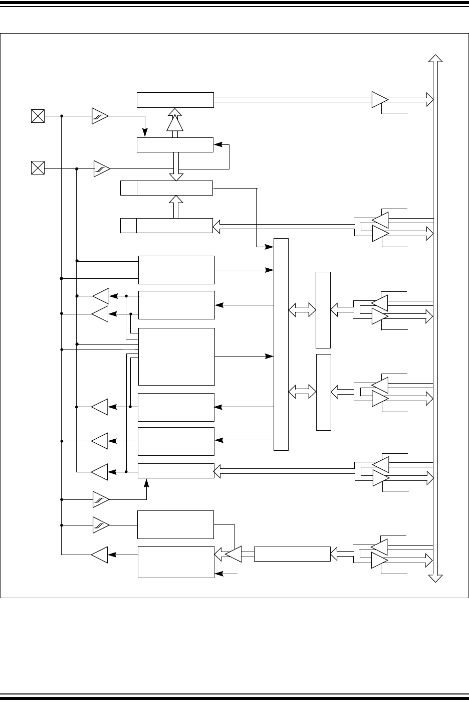
FIGURE 15-2: I
2
C™ BLOCK DIAGRAM
I2CRSR
I2CRCV
Internal
Data Bus
SCL
SDA
Shift
Match Detect
I2CADD
Start and
Stop bit Detect
Clock
Addr_Match
Clock
Stretching
I2CTRN
LSB
Shift
Clock
Write
Read
BRG Down
I2CBRG
Reload
Control
FCY
Start, Restart,
Stop bit Generate
Write
Read
Acknowledge
Generation
Collision
Detect
Write
Read
Write
Read
I2CCON
Write
Read
I2CSTAT
Control Logic
Read
LSB
Counter