Datasheet
Table Of Contents
- dsPIC30F6011/6012/6013/6014 High-Performance Digital Signal Controllers
- 1.0 Device Overview
- 2.0 CPU Architecture Overview
- 3.0 Memory Organization
- 3.1 Program Address Space
- FIGURE 3-1: program space memory map FOR dsPIC30F6011/6013
- FIGURE 3-2: program space memory map FOR dsPIC30F6012/6014
- TABLE 3-1: Program Space Address Construction
- FIGURE 3-3: DATA ACCESS FROM PROGRAM SPACE ADDRESS GENERATION
- 3.1.1 Data Access From Program Memory using Table Instructions
- 3.1.2 Data Access From Program Memory using Program Space Visibility
- 3.2 Data Address Space
- 3.1 Program Address Space
- 4.0 Address Generator Units
- 5.0 Interrupts
- 6.0 Flash Program Memory
- 6.1 In-Circuit Serial Programming (ICSP)
- 6.2 Run-Time Self-Programming (RTSP)
- 6.3 Table Instruction Operation Summary
- 6.4 RTSP Operation
- 6.5 Control Registers
- 6.6 Programming Operations
- 7.0 Data EEPROM Memory
- 8.0 I/O Ports
- 8.1 Parallel I/O (PIO) Ports
- 8.2 Configuring Analog Port Pins
- FIGURE 8-2: Block Diagram of a ShAred PORT Structure
- TABLE 8-1: PORTA Register MAp for dsPIC30F6013/6014
- TABLE 8-2: PORTB Register MAp for dsPIC30F6011/6012/6013/6014
- TABLE 8-3: PORTC Register MAp for dsPIC30F6011/6012
- TABLE 8-4: PORTC Register MAp for dsPIC30F6013/6014
- TABLE 8-5: PORTD Register MAp for dsPIC30F6011/6012
- TABLE 8-6: PORTD Register MAp for dsPIC30F6013/6014
- TABLE 8-7: PORTF Register MAp for dsPIC30F6011/6012
- TABLE 8-8: PORTF Register MAp for dsPIC30F6013/6014
- TABLE 8-9: PORTG Register MAp for dsPIC30F6011/6012/6013/6014
- 8.3 Input Change Notification Module
- TABLE 8-10: Input change notification register map for dsPIC30F6011/6012 (Bits 15-8)
- TABLE 8-11: Input Change notification register map FOR dsPIC30F6011/6012 (Bits 7-0)
- TABLE 8-12: Input change notification register map for dsPIC30F6013/6014 (Bits 15-8)
- TABLE 8-13: Input Change notification register map FOR dsPIC30F6013/6014 (Bits 7-0)
- 9.0 Timer1 Module
- 10.0 Timer2/3 Module
- 11.0 Timer4/5 Module
- 12.0 Input Capture Module
- 13.0 Output Compare Module
- FIGURE 13-1: Output Compare Mode Block DiagrAm
- 13.1 Timer2 and Timer3 Selection Mode
- 13.2 Simple Output Compare Match Mode
- 13.3 Dual Output Compare Match Mode
- 13.4 Simple PWM Mode
- 13.5 Output Compare Operation During CPU Sleep Mode
- 13.6 Output Compare Operation During CPU Idle Mode
- 13.7 Output Compare Interrupts
- 14.0 SPI Module
- 15.0 I2C Module
- 15.1 Operating Function Description
- 15.2 I2C Module Addresses
- 15.3 I2C 7-bit Slave Mode Operation
- 15.4 I2C 10-bit Slave Mode Operation
- 15.5 Automatic Clock Stretch
- 15.6 Software Controlled Clock Stretching (STREN = 1)
- 15.7 Interrupts
- 15.8 Slope Control
- 15.9 IPMI Support
- 15.10 General Call Address Support
- 15.11 I2C Master Support
- 15.12 I2C Master Operation
- 15.13 I2C Module Operation During CPU Sleep and Idle Modes
- 16.0 Universal Asynchronous Receiver Transmitter (UART) Module
- 17.0 CAN Module
- 18.0 Data Converter Interface (DCI) Module
- 18.1 Module Introduction
- 18.2 Module I/O Pins
- 18.3 DCI Module Operation
- 18.3.1 MODULE ENABLE
- 18.3.2 Word Size Selection Bits
- 18.3.3 Frame SYNC GEnerator
- 18.3.4 Frame Sync Mode Control Bits
- 18.3.5 Master frame sync Operation
- 18.3.6 Slave Frame Sync Operation
- 18.3.7 Bit Clock Generator
- 18.3.8 Sample Clock Edge control Bit
- 18.3.9 Data Justification Control bit
- 18.3.10 Transmit Slot Enable Bits
- 18.3.11 Receive Slot Enable Bits
- 18.3.12 Slot Enable Bits Operation with FRame SYNC
- 18.3.13 Synchronous data transfers
- 18.3.14 Buffer Length Control
- 18.3.15 Buffer Alignment With Data Frames
- 18.3.16 Transmit STATUS BITS
- 18.3.17 RECEIVE STATUS bits
- 18.3.18 SLOT Status Bits
- 18.3.19 CSDO Mode Bit
- 18.3.20 Digital Loopback mode
- 18.3.21 Underflow Mode Control Bit
- 18.4 DCI Module Interrupts
- 18.5 DCI Module Operation During CPU Sleep and Idle Modes
- 18.6 AC-Link Mode Operation
- 18.7 I2S Mode Operation
- 19.0 12-bit Analog-to-Digital Converter (A/D) Module
- FIGURE 19-1: 12-bit ADC Functional Block Diagram
- 19.1 ADC Result Buffer
- 19.2 Conversion Operation
- 19.3 Selecting the Conversion Sequence
- 19.4 Programming the Start of Conversion Trigger
- 19.5 Aborting a Conversion
- 19.6 Selecting the ADC Conversion Clock
- 19.7 ADC Speeds
- 19.8 A/D Acquisition Requirements
- 19.9 Module Power-down Modes
- 19.10 ADC Operation During CPU Sleep and Idle Modes
- 19.11 Effects of a Reset
- 19.12 Output Formats
- 19.13 Configuring Analog Port Pins
- 19.14 Connection Considerations
- 20.0 System Integration
- 20.1 Oscillator System Overview
- 20.2 Oscillator Configurations
- 20.3 Reset
- FIGURE 20-2: Reset SYSTEM BLOCK DIAGRAM
- 20.3.1 POR: Power-ON reset
- FIGURE 20-3: Time-out Sequence on Power-up (MCLR Tied to Vdd)
- FIGURE 20-4: Time-out Sequence on Power-up (MCLR not Tied to Vdd): Case 1
- FIGURE 20-5: Time-out Sequence on Power-up (MCLR not Tied to Vdd): Case 2
- 20.3.1.1 POR with Long Crystal Start-up Time (with FSCM Enabled)
- 20.3.1.2 Operating without FSCM and PWRT
- 20.3.2 BOR: Programmable Brown-out reset
- 20.4 Watchdog Timer (WDT)
- 20.5 Low-Voltage Detect
- 20.6 Power Saving Modes
- 20.7 Device Configuration Registers
- 20.8 Peripheral Module Disable (PMD) Registers
- 20.9 In-Circuit Debugger
- 21.0 Instruction Set Summary
- 22.0 Development Support
- 22.1 MPLAB Integrated Development Environment Software
- 22.2 MPASM Assembler
- 22.3 MPLAB C18 and MPLAB C30 C Compilers
- 22.4 MPLINK Object Linker/ MPLIB Object Librarian
- 22.5 MPLAB ASM30 Assembler, Linker and Librarian
- 22.6 MPLAB SIM Software Simulator
- 22.7 MPLAB ICE 2000 High-Performance In-Circuit Emulator
- 22.8 MPLAB REAL ICE In-Circuit Emulator System
- 22.9 MPLAB ICD 2 In-Circuit Debugger
- 22.10 MPLAB PM3 Device Programmer
- 22.11 PICSTART Plus Development Programmer
- 22.12 PICkit 2 Development Programmer
- 22.13 Demonstration, Development and Evaluation Boards
- 23.0 Electrical Characteristics
- 23.1 DC Characteristics
- TABLE 23-1: Operating MIPS vs. Voltage
- TABLE 23-2: Thermal Operating Conditions
- TABLE 23-3: Thermal Packaging Characteristics
- TABLE 23-4: DC Temperature and Voltage specifications
- TABLE 23-5: DC Characteristics: Operating Current (Idd)
- TABLE 23-6: DC Characteristics: Idle Current (iidle)
- TABLE 23-7: DC Characteristics: Power-Down Current (Ipd)
- TABLE 23-8: DC Characteristics: I/O Pin Input Specifications
- TABLE 23-9: DC Characteristics: I/O Pin Output Specifications
- FIGURE 23-1: Low-Voltage Detect Characteristics
- TABLE 23-10: Electrical Characteristics: LVDL
- FIGURE 23-2: Brown-out Reset Characteristics
- TABLE 23-11: Electrical Characteristics: BOR
- TABLE 23-12: DC Characteristics: Program and EEPROM
- 23.2 AC Characteristics and Timing Parameters
- TABLE 23-13: Temperature and Voltage Specifications – AC
- FIGURE 23-3: Load Conditions for Device Timing Specifications
- FIGURE 23-4: External Clock Timing
- TABLE 23-14: External Clock Timing Requirements
- TABLE 23-15: PLL Clock Timing Specifications (Vdd = 2.5 to 5.5V)
- TABLE 23-16: PLL JITTER
- TABLE 23-17: Internal Clock Timing examples
- TABLE 23-18: AC Characteristics: Internal RC Accuracy(2)
- TABLE 23-19: Internal RC Accuracy
- FIGURE 23-5: CLKO and I/O Timing Characteristics
- TABLE 23-20: CLKO and I/O Timing Requirements
- FIGURE 23-6: Reset, Watchdog Timer, Oscillator Start-up Timer and Power-up Timer Timing Character...
- TABLE 23-21: Reset, Watchdog Timer, Oscillator Start-up Timer, Power-up Timer and Brown-out Reset...
- FIGURE 23-7: band gap Start-up Time Characteristics
- TABLE 23-22: band gap Start-up Time Requirements
- FIGURE 23-8: Type A, B and C Timer External Clock Timing Characteristics
- TABLE 23-23: TYPE A TIMER (Timer1) External Clock Timing Requirements(1)
- TABLE 23-24: TYPE B TIMER (Timer2 and Timer4) External Clock Timing Requirements(1)
- TABLE 23-25: TYPE C TIMER (Timer3 and Timer5) External Clock Timing Requirements(1)
- FIGURE 23-9: INPUT CAPTURE (CAPx) TIMING Characteristics
- TABLE 23-26: Input Capture timing requirements
- FIGURE 23-10: Output Compare Module (OCx) Timing Characteristics
- TABLE 23-27: Output Compare Module timing requirements
- FIGURE 23-11: OC/PWM Module Timing Characteristics
- TABLE 23-28: Simple OC/PWM MODE Timing Requirements
- FIGURE 23-12: DCI Module (Multichannel, I2S modes) Timing Characteristics
- TABLE 23-29: DCI Module (Multichannel, I2S modes) Timing Requirements
- FIGURE 23-13: DCI Module (AC-link mode) Timing Characteristics
- TABLE 23-30: DCI Module (AC-Link Mode) Timing Requirements
- FIGURE 23-14: SPI Module Master Mode (CKE = 0) Timing Characteristics
- TABLE 23-31: SPI Master mode (cke = 0) Timing requirements
- FIGURE 23-15: SPI Module Master Mode (CKE = 1) Timing Characteristics
- TABLE 23-32: SPI Module Master mode (cke = 1) Timing requirements
- FIGURE 23-16: SPI Module Slave Mode (CKE = 0) Timing Characteristics
- TABLE 23-33: SPI Module Slave mode (cke = 0) Timing requirements
- FIGURE 23-17: SPI Module Slave Mode (CKE = 1) Timing Characteristics
- TABLE 23-34: SPI Module Slave mode (cke = 1) Timing requirements
- FIGURE 23-18: I2C™ Bus Start/Stop Bits Timing Characteristics (Master mode)
- FIGURE 23-19: I2C™ Bus Data Timing Characteristics (Master mode)
- TABLE 23-35: I2C™ Bus Data Timing Requirements (Master Mode)
- FIGURE 23-20: I2C™ Bus Start/Stop Bits Timing Characteristics (slave mode)
- FIGURE 23-21: I2C™ Bus Data Timing Characteristics (slave mode)
- TABLE 23-36: I2C™ Bus Data Timing Requirements (Slave Mode)
- FIGURE 23-22: CAN Module I/O Timing Characteristics
- TABLE 23-37: CAN Module I/O Timing Requirements
- TABLE 23-38: 12-bit aDC Module Specifications
- FIGURE 23-23: 12-Bit A/D Conversion Timing Characteristics (asam = 0, ssrc = 000)
- TABLE 23-39: 12-BIT A/D Conversion TiminG rEQUIREMENTS
- 23.1 DC Characteristics
- 24.0 Packaging Information
- Appendix A: Revision History
- Index
- The Microchip Web Site
- Customer Change Notification Service
- Customer Support
- Reader Response
- Product Identification System
- Worldwide Sales and Service

dsPIC30F6011/6012/6013/6014
DS70117F-page 30 © 2006 Microchip Technology Inc.
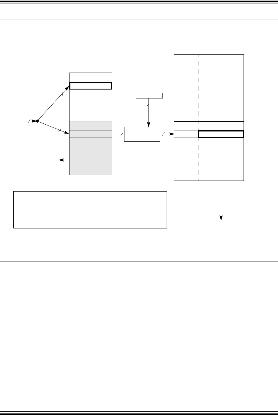
FIGURE 3-6: DATA SPACE WINDOW INTO PROGRAM SPACE OPERATION
23 15 0
PSVPAG
(1)
15
15
EA<15> =
0
EA<15> = 1
16
Data
Space
EA
Data Space
Program Space
8
15
23
0x0000
0x8000
0xFFFF
0x01
0x000100
0x017FFF
Data Read
Upper Half of Data
Space is Mapped
into Program Space
0x008000
Address
Concatenation
BSET CORCON,#2 ; PSV bit set
MOV #0x01, W0 ; Set PSVPAG register
MOV W0, PSVPAG
MOV 0x8000, W0 ; Access program memory location
; using a data space access
Note: PSVPAG is an 8-bit register, containing bits <22:15> of the program space address (i.e., it defines
the page in program space to which the upper half of data space is being mapped).










