Datasheet

Table Of Contents
© 2006 Microchip Technology Inc. DS70117F-page 75
dsPIC30F6011/6012/6013/6014
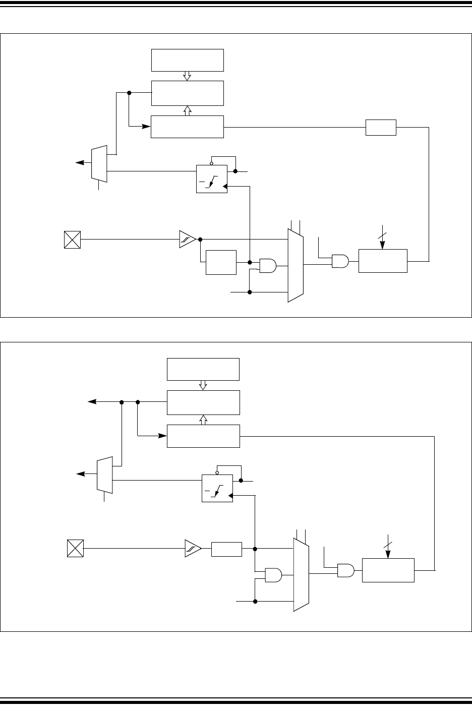
FIGURE 10-2: 16-BIT TIMER2 BLOCK DIAGRAM
FIGURE 10-3: 16-BIT TIMER3 BLOCK DIAGRAM
TON
Sync
PR2
T2IF
Equal
Comparator x 16
TMR2
Reset
Event Flag
TGATE
TCKPS<1:0>
2
TGATE
T
CY
1
0
TCS
1 x
0 1
TGATE
0 0
Gate
T2CK
Sync
Prescaler
1, 8, 64, 256
Q
Q
D
CK
TON
PR3
T3IF
Equal
Comparator x 16
TMR3
Reset
Event Flag
TGATE
TCKPS<1:0>
2
TGATE
T
CY
1
0
TCS
1 x
0 1
TGATE
0 0
T3CK
ADC Event Trigger
Sync
Q
QD
CK
Prescaler
1, 8, 64, 256