Datasheet

Table Of Contents
© 2011 Microchip Technology Inc. DS70143E-page 85
dsPIC30F6011A/6012A/6013A/6014A
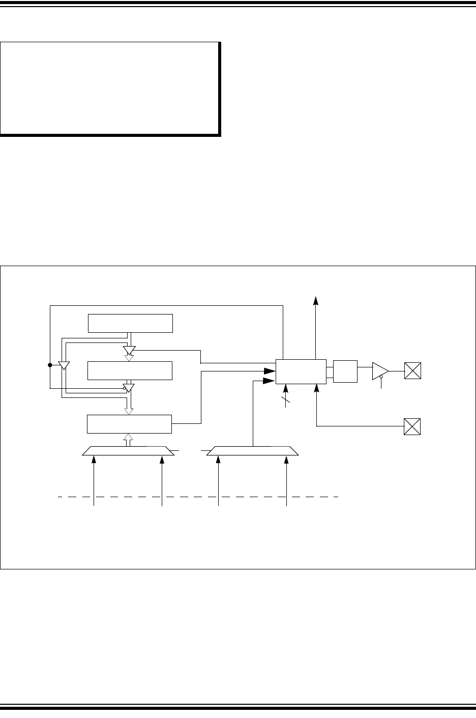
13.0 OUTPUT COMPARE MODULE
This section describes the output compare module and
associated operational modes. The features provided
by this module are useful in applications requiring oper-
ational modes, such as:
Generation of Variable Width Output Pulses
Power Factor Correction
Figure 13-1 depicts a block diagram of the output
compare module.
The key operational features of the output compare
module include:
Timer2 and Timer3 Selection mode
Simple Output Compare Match mode
Dual Output Compare Match mode
Simple PWM mode
Output Compare During Sleep and Idle modes
Interrupt on Output Compare/PWM Event
These Operating modes are determined by setting the
appropriate bits in the 16-bit OCxCON SFR (where
x = 1,2,3,...,N). The dsPIC DSC devices contain up to
8 compare channels (i.e., the maximum value of N is 8).
OCxRS and OCxR in Figure 13-1 represent the Dual
Compare registers. In the Dual Compare mode, the
OCxR register is used for the first compare and OCxRS
is used for the second compare.
FIGURE 13-1: OUTPUT COMPARE MODE BLOCK DIAGRAM
Note: This data sheet summarizes features of
this group of dsPIC30F devices and is not
intended to be a complete reference
source. For more information on the CPU,
peripherals, register descriptions and
general device functionality, refer to the
dsPIC30F Family Reference Manual
(DS70046).
OCxR
Comparator
Output
Logic
QS
R
OCM<2:0>
Output
OCx
Set Flag bit
OCxIF
OCxRS
Mode Select
3
Note: Where ‘x’ is shown, reference is made to the registers associated with the respective output compare
channels 1 through N.
OCFA
OCTSEL
01
T2P2_MATCHTMR2<15:0 TMR3<15:0> T3P3_MATCH
From General Purpose
(for x = 1, 2, 3 or 4)
or OCFB
(for x = 5, 6, 7 or 8)
01
Timer Module
Enable