Datasheet

Table Of Contents
MCP111/112
DS21889E-page 12 2004-2013 Microchip Technology Inc.
4.2 Negative Going V
DD
Transients
The minimum pulse width (time) required to cause a
reset may be an important criteria in the implementa-
tion of a Power-on Reset (POR) circuit. This time is
referred to as transient duration, defined as the amount
of time needed for these supervisory devices to
respond to a drop in V
DD
. The transient duration time is
dependant on the magnitude of V
TRIP
– V
DD
. Generally
speaking, the transient duration decreases with
increases in V
TRIP
– V
DD
.
Figure 4-3 shows a typical transient duration vs. reset
comparator overdrive for which the MCP111/112 will
not generate a reset pulse. It shows that the farther
below the trip point the transient pulse goes, the
duration of the pulse required to cause a reset gets
shorter. Figure 2-18 shows the transient response
characteristics for the MCP111/112.
A 0.1 µF bypass capacitor, mounted as close as
possible to the V
DD
pin, provides additional transient
immunity (refer to Figure 4-1).
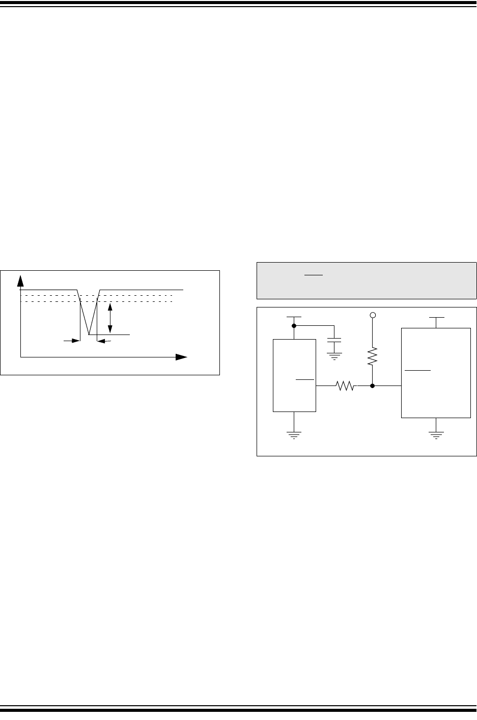
FIGURE 4-3: Example of Typical
Transient Duration Waveform.
4.3 Effect of Temperature on Time-out
Period (t
RPU
)
The time-out period (t
RPU
) determines how long the
device remains in the reset condition. This is affected
by both V
DD
and temperature. The graph shown in
Figures 2-22, 2-23 and 2-24 show the typical response
for different V
DD
values and temperatures.
4.4 Using in PIC
®
Microcontroller
ICSP™ Applications (MCP111
only)
Figure 4-4 shows the typical application circuit for using
the MCP111 for voltage supervisory function when the
PIC microcontroller will be programmed via the In-Cir-
cuit Serial Programming™ (ICSP) feature. Additional
information is available in TB087, “Using Voltage
Supervisors with PIC
®
Microcontroller Systems which
Implement In-Circuit Serial Programming™”,
DS91087.
FIGURE 4-4: Typical Application Circuit
for PIC
®
Microcontroller with the ICSP™ feature.
Time (µs)
0V
Supply Voltage
5V
V
TRIP(MIN)
- V
DD
t
TRANS
V
TRIP(MAX)
V
TRIP(MIN)
Note: It is recommended that the current into the
RST
pin be current limited by a 1 k
resistor.
V
DD
/V
PP
V
DD
MCLR
(reset input)
(Active-Low)
V
SS
PIC
®
MCU
R
PU
0.1 µF
1k
MCP111
V
DD
RST
V
SS