Datasheet
Table Of Contents
- 1.0 Electrical Characteristics
- 2.0 Typical Performance Curves
- FIGURE 2-1: Rise Time vs. Supply Voltage.
- FIGURE 2-2: Rise Time vs. Capacitive Load.
- FIGURE 2-3: Rise and Fall Times vs. Temperature.
- FIGURE 2-4: Fall Time vs. Supply Voltage.
- FIGURE 2-5: Fall Time vs. Capacitive Load.
- FIGURE 2-6: Propagation Delay vs. Input Amplitude.
- FIGURE 2-7: Propagation Delay Time vs. Supply Voltage.
- FIGURE 2-8: Propagation Delay Time vs. Temperature.
- FIGURE 2-9: Quiescent Current vs. Supply Voltage.
- FIGURE 2-10: Quiescent Current vs. Temperature.
- FIGURE 2-11: Output Resistance (Output High) vs. Supply Voltage.
- FIGURE 2-12: Output Resistance (Output Low) vs. Temperature.
- FIGURE 2-13: Supply Current vs. Capacitive Load.
- FIGURE 2-14: Supply Current vs. Capacitive Load.
- FIGURE 2-15: Supply Current vs. Capacitive Load.
- FIGURE 2-16: Supply Current vs. Frequency.
- FIGURE 2-17: Supply Current vs. Frequency.
- FIGURE 2-18: Supply Current vs. Frequency.
- FIGURE 2-19: Crossover Energy vs. Supply Voltage.
- 3.0 Pin Descriptions
- 4.0 Application Information
- 5.0 Packaging Information

MCP1403/4/5
DS22022B-page 10 © 2007 Microchip Technology Inc.
4.0 APPLICATION INFORMATION
4.1 General Information
MOSFET drivers are high-speed, high current devices
which are intended to source/sink high peak currents to
charge/discharge the gate capacitance of external
MOSFETs or IGBTs. In high frequency switching
power supplies, the PWM controller may not have the
drive capability to directly drive the power MOSFET. A
MOSFET driver like the MCP1403/4/5 family can be
used to provide additional source/sink current
capability.
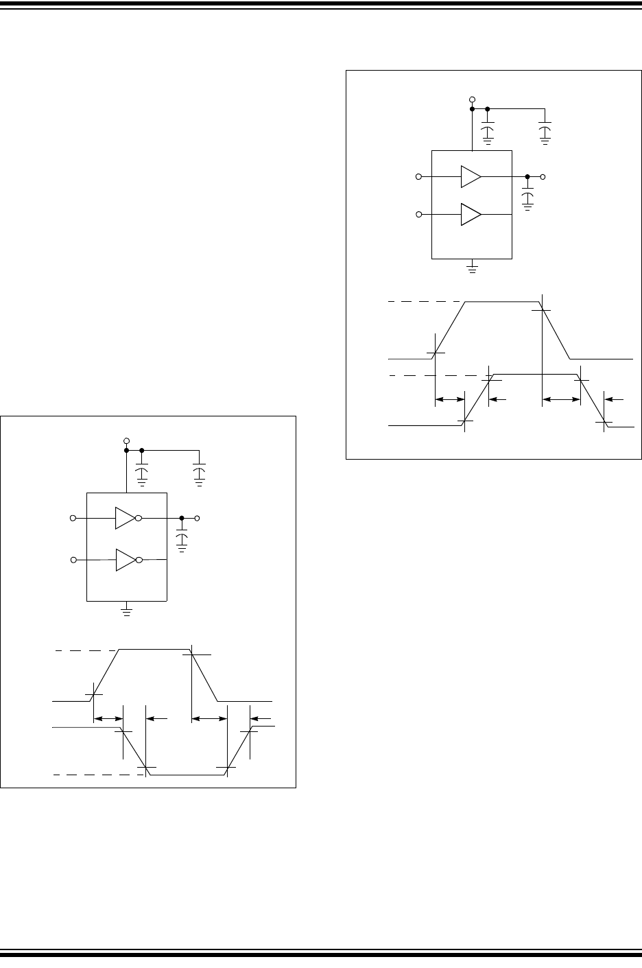
4.2 MOSFET Driver Timing
The ability of a MOSFET driver to transition from a fully
off state to a fully on state are characterized by the driv-
ers rise time (t
R
), fall time (t
F
), and propagation delays
(t
D1
and t
D2
). The MCP1403/4/5 family of drivers can
typically charge and discharge a 2200 pF load capaci-
tance in 15 ns along with a typical matched propaga-
tion delay of 40 ns. Figure 4-1 and Figure 4-2 show the
test circuit and timing waveform used to verify the
MCP1403/4/5 timing.
FIGURE 4-1: Inverting Driver Timing
Waveform.
FIGURE 4-2: Non-Inverting Driver Timing
Waveform.
4.3 Decoupling Capacitors
Careful layout and decoupling capacitors are highly
recommended when using MOSFET drivers. Large
currents are required to charge and discharge
capacitive loads quickly. For example, 2.5A are needed
to charge a 2200 pF load with 18V in 16 ns.
To operate the MOSFET driver over a wide frequency
range with low supply impedance a ceramic and low
ESR film capacitor are recommended to be placed in
parallel between the driver V
DD
and GND. A 1.0 µF low
ESR film capacitor and a 0.1 µF ceramic capacitor
placed between
V
DD
and GND pins should be used.
These capacitors should be placed close to the driver
to minimized circuit board parasitics and provide a local
source for the required current.
4.4 PCB Layout Considerations
Proper PCB layout is important in a high current, fast
switching circuit to provide proper device operation and
robustness of design. PCB trace loop area and
inductance should be minimized by the use of ground
planes or trace under MOSFET gate drive signals,
separate analog and power grounds, and local driver
decoupling.
0.1 µF
+5V
10%
90%
10%
90%
10%
90%
18V
1µF
0V
0V
MCP1403
C
L
= 2200 pF
Input
Input
Output
t
D1
t
F
t
D2
Output
t
R
V
DD
= 18V
Ceramic
Input
(1/2 MCP1405)
90%
Input
t
D1
t
F
t
D2
Output
t
R
10%
10%
10%
+5V
18V
0V
0V
90%
90%
0.1 µF
1µF
MCP1404
C
L
= 2200 pF
Input Output
V
DD
= 18V
Ceramic
Input
(1/2 MCP1405)










