Datasheet
Table Of Contents

MCP1726
DS21936C-page 2 © 2007 Microchip Technology Inc.
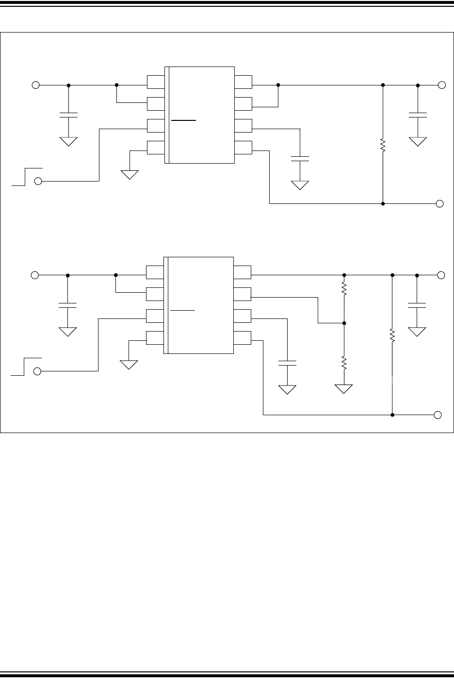
Typical Application
MCP1726 Adjustable Output Voltage
V
IN
SHDN
GND PWRGD
C
DELAY
ADJ
V
OUT
1
2
3
45
6
7
8
1µF
PWRGD
V
OUT
= 1.2V @ 1A
100 kΩ
4.7 µF
V
IN
= 2.3V to 2.8V
On
Off
V
IN
20 kΩ
40 kΩ
R
1
R
2
C
1
C
2
R
3
1000 pF
C
3
MCP1726 Fixed Output Voltage
V
IN
SHDN
GND PWRGD
C
DELAY
V
OUT
V
OUT
1
2
3
45
6
7
8
PWRGD
V
OUT
= 1.8V @ 1A
V
IN
= 2.3V to 2.8V
On
Off
V
IN
1µF
100 kΩ
4.7 µF
C
1
C
2
R
1
1000 pF
C
3










