Datasheet

© 2007 Microchip Technology Inc. DS21936C-page 3
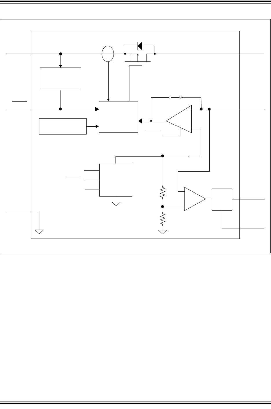
MCP1726
Functional Block Diagram
EA
+
V
OUT
PMOS
R
f
C
f
I
SNS
Overtemperature
V
REF
Comp
92% of V
REF
T
DELAY
PWRGD
C
DELAY
V
IN
Driver w/limit
and SHDN
GND
Soft-Start
ADJ
Undervoltage
Lock Out
V
IN
Reference
SHDN
SHDN
SHDN
Sensing
(UVLO)