Datasheet
Table Of Contents
- Introduction
- Theory of Operation
- MCP2003 Power-Down Mode and Wake-Up Handling in the Case of LIN Bus Loss
- Corporate Office
- Atlanta
- Boston
- Chicago
- Cleveland
- Fax: 216-447-0643
- Dallas
- Detroit
- Kokomo
- Toronto
- Fax: 852-2401-3431
- Australia - Sydney
- China - Beijing
- China - Shanghai
- India - Bangalore
- Korea - Daegu
- Korea - Seoul
- Singapore
- Taiwan - Taipei
- Fax: 43-7242-2244-393
- Denmark - Copenhagen
- France - Paris
- Germany - Munich
- Italy - Milan
- Spain - Madrid
- UK - Wokingham
- Worldwide Sales and Service
- Trademarks
- Worldwide Sales

© 2011 Microchip Technology Inc. DS93067A-page 1
TB3067
INTRODUCTION
This technical brief gives a description of how to set the
MCP2003 in Power-Down mode in the case of a LIN
bus loss, which means the voltage level on LBUS falls
down to VIL. This situation could happen if the bus
Master microcontroller disconnects the termination
pull-up resistor (typically 1 kΩ) from the bus to reduce
the current consumption in the bus Power-Down state.
Additionally, this technical brief describes the wake-up
procedure when the Master puts the LIN bus back into
Operation mode.
Holding the MCP2003 in power down in the case of LIN
bus loss is called “Forced Power-Down mode” in the
further description of this document.
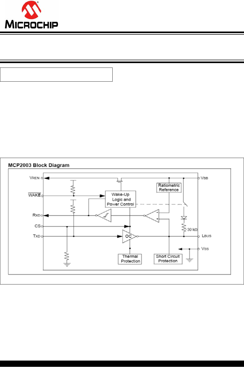
THEORY OF OPERATION
The MCP2003 is a bidirectional, half-duplex
communication physical interface for automotive and
industrial LIN systems to meet the LIN bus specification
Revision 2.1 and SAE J2602. The MCP2003 provides
a physical interface between a microcontroller and LIN
bus.
FIGURE 1: MCP2003 Block Diagram.
The MCP2003 can be put in Power-Down mode from
Operation mode or Transmitter-Off mode (T
OFF
Mode)
on the falling edge on CS.
On bus activity, or when CS is set to ‘1’, the device will
immediately wake up from Power-Down mode and
enter Ready mode.
Bus activity means that L
BUS
voltage has dropped
down to V
IL
for longer than the Bus Activity Debounce
time (tBDB).
This could be caused by the following events:
• Loss/short to GND
• Wake-up sequence
• Sync break
This behavior is necessary to react immediately on a
LIN bus disconnection or LBUS short circuit to ground
(e.g. cable break or wrong plug-in). Additionally, the
device also wakes up on a LIN bus loss situation, which
could be an undesired behavior in certain LIN bus
systems.
Author: Frank Ziegenhorn
Microchip Technology Inc.
MCP2003 Power-Down Mode and Wake-Up
Handling in the Case of LIN Bus Loss






