Datasheet
Table Of Contents
- 1.0 Electrical Characteristics
- 2.0 Typical Performance Curves
- FIGURE 2-1: Input Offset Voltage vs. Common Mode Input Voltage at VDD = 2.4V.
- FIGURE 2-2: Input Offset Voltage vs. Common Mode Input Voltage at VDD = 5.5V.
- FIGURE 2-3: Input Offset Voltage vs. Output Voltage.
- FIGURE 2-4: Input Common Mode Range Voltage vs. Ambient Temperature.
- FIGURE 2-5: CMRR, PSRR vs. Ambient Temperature.
- FIGURE 2-6: CMRR, PSRR vs. Frequency.
- FIGURE 2-7: Measured Input Current vs. Input Voltage (below VSS).
- FIGURE 2-8: Open-Loop Gain, Phase vs. Frequency.
- FIGURE 2-9: Input Noise Voltage Density vs. Frequency.
- FIGURE 2-10: The MCP6L91/1R/2/4 Show No Phase Reversal.
- FIGURE 2-11: Quiescent Current vs. Power Supply Voltage.
- FIGURE 2-12: Output Short Circuit Current vs. Power Supply Voltage.
- FIGURE 2-13: Ratio of Output Voltage Headroom to Output Current vs. Output Current.
- FIGURE 2-14: Small Signal, Noninverting Pulse Response.
- FIGURE 2-15: Large Signal, Noninverting Pulse Response.
- FIGURE 2-16: Slew Rate vs. Ambient Temperature.
- FIGURE 2-17: Output Voltage Swing vs. Frequency.
- 3.0 Pin Descriptions
- 4.0 Application Information
- 5.0 Design Aids
- 6.0 Packaging Information
- Appendix A: Revision History
- Product ID System
- Trademarks
- Worldwide Sales

MCP6L91/1R/2/4
DS22141B-page 12 2009-2011 Microchip Technology Inc.
4.4 Supply Bypass
With this family of operational amplifiers, the power
supply pin (V
DD
for single supply) should have a local
bypass capacitor (i.e., 0.01 µF to 0.1 µF) within 2 mm
for good high-frequency performance. It also needs a
bulk capacitor (i.e., 1 µF or larger) within 100 mm to
provide large, slow currents. This bulk capacitor can be
shared with other nearby analog parts.
4.5 Unused Op Amps
An unused op amp in a quad package (e.g., MCP6L94)
should be configured as shown in Figure 4-3. These
circuits prevent the output from toggling and causing
crosstalk. Circuit A sets the op amp at its minimum
noise gain. The resistor divider produces any desired
reference voltage within the output voltage range of the
op amp; the op amp buffers that reference voltage.
Circuit B uses the minimum number of components
and operates as a comparator, but it may draw more
current.
FIGURE 4-3: Unused Op Amps.
4.6 PCB Surface Leakage
In applications where low input bias current is critical,
printed circuit board (PCB) surface leakage effects
need to be considered. Surface leakage is caused by
humidity, dust or other contamination on the board.
Under low humidity conditions, a typical resistance
between nearby traces is 10
12
. A 5V difference would
cause 5 pA of current to flow; this is greater than this
family’s bias current at 25°C (1 pA, typical).
The easiest way to reduce surface leakage is to use a
guard ring around sensitive pins (or traces). The guard
ring is biased at the same voltage as the sensitive pin.
Figure 4-4 is an example of this type of layout.
FIGURE 4-4: Example Guard Ring
Layout.
1. Inverting Amplifiers (Figure 4-4) and Trans-
impedance Gain Amplifiers (convert current to
voltage, such as photo detectors).
a) Connect the guard ring to the noninverting
input pin (V
IN
+); this biases the guard ring
to the same reference voltage as the op
amp’s input (e.g., V
DD
/2 or ground).
b) Connect the inverting pin (V
IN
–) to the input
with a wire that does not touch the PCB sur-
face.
2. Noninverting Gain and Unity-Gain Buffer.
a) Connect the guard ring to the inverting input
pin (V
IN
–); this biases the guard ring to the
common mode input voltage.
b) Connect the noninverting pin (V
IN
+) to the
input with a wire that does not touch the
PCB surface.
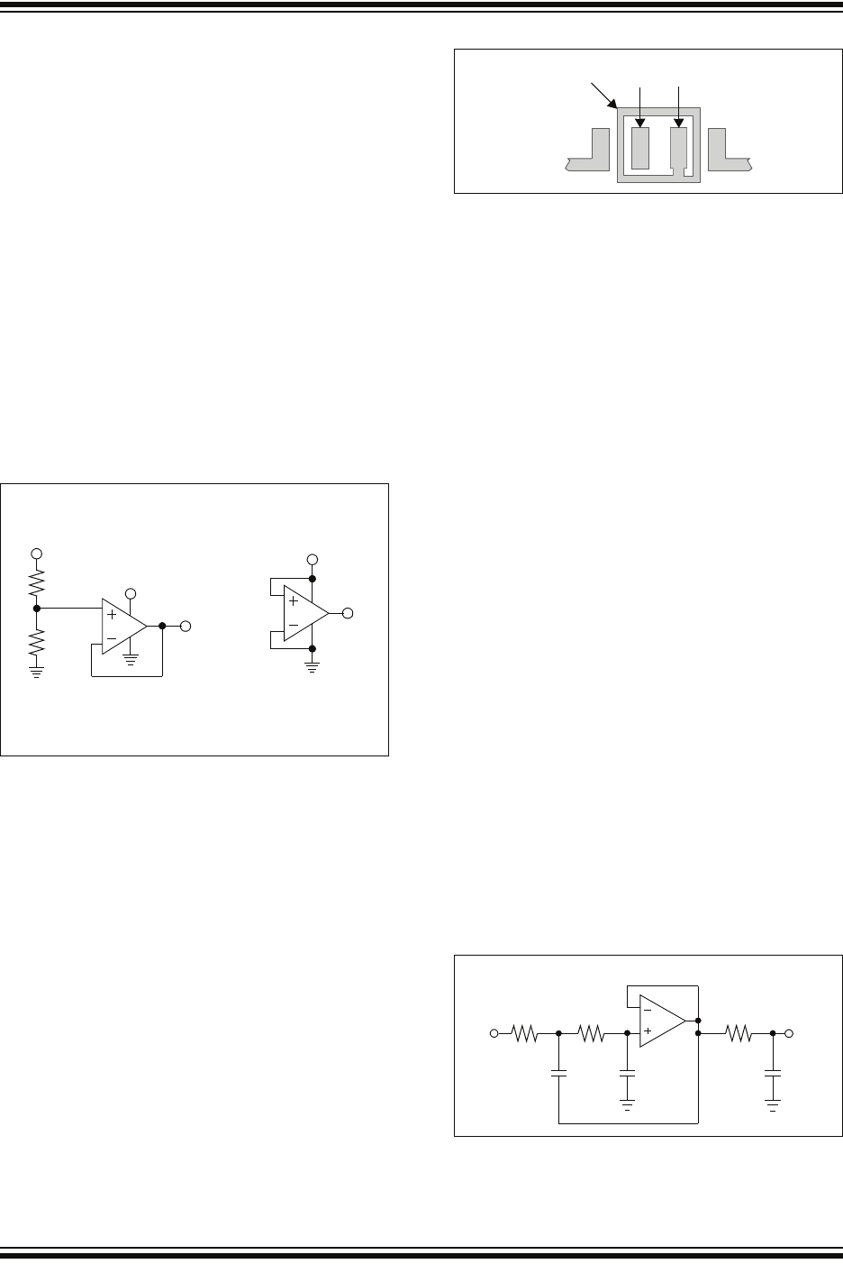
4.7 Application Circuit
4.7.1 ACTIVE LOW-PASS FILTER
The MCP6L91/1R/2/4 op amp’s low input noise and
good output current drive make it possible to design
low noise filters. Reducing the resistors’ values also
reduces the noise and increases the frequency at
which parasitic capacitances affect the response.
These trade-offs need to be considered when selecting
circuit elements.
Figure 4-5 shows a third-order Chebyshev filter with a
1 kHz bandwidth, 0.2 dB ripple and a gain of +1 V/V.
The component values were selected using Micro-
chip’s FilterLab
®
software. Resistor R
3
was reduced in
value by increasing C
3
in FilterLab.
FIGURE 4-5: Chebyshev Filter.
V
DD
V
DD
¼ MCP6L94 (A) ¼ MCP6L94 (B)
R
1
R
2
V
DD
V
REF
V
REF
V
DD
R
2
R
1
R
2
+
------------------=
Guard Ring V
IN
–V
IN
+
R
1
V
IN
V
OUT
R
2
3.01 k 6.81 k
MCP6L91
C
1
120 nF
R
3
9.31 k
C
3
27 nF
C
2
12 nF










