User's Manual
Table Of Contents
- Features:
- Operational:
- RF/Analog Features:
- MAC/Baseband Features:
- Table of Contents
- Most Current Data Sheet
- Errata
- Customer Notification System
- 1.0 Device Overview
- 2.0 Microcontroller Interface
- 3.0 Circuit Interface
- 4.0 Regulatory Approval
- 5.0 Electrical Characteristics
- 6.0 Packaging Information
- Appendix A: Revision History
- The Microchip Web Site
- Customer Change Notification Service
- Customer Support
- Reader Response
- MRF24J40MA Product Identification System

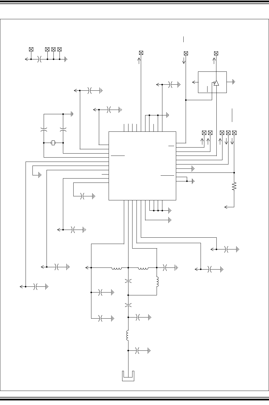
MRF24J40MA
DS00000A-page 12 Advance Information © 2008 Microchip Technology Inc.
FIGURE 3-1:
VDD
1
RFP
2
RFN
3
V
DD
4
V
DD
5
GND
6
GPIO0
7
GPIO1
8
GPIO5
9
GPIO4
10
RXQP
30
RXIP
29
LPOSC1
28
LPOSC2
27
CLKOUT
26
GND
25
GND
24
NC
23
GND
22
V
DD
21
IC1
GPIO2
11
GPIO3
12
RESET
13
GND
14
WAKE
15
INT
16
SDO
17
SDI
18
SCK
19
CS
20
40
39
38
37
36
35
34
33
32
31
LCAP
V
DD
NC
V
DD
GND
V
DD
OSC1
OCSC2
VDD
VDD
MRF24J40-1/ML
NC
NC
NC
NC
NC
NC
C10
47 pF
VIN
C11
0.1 μF
VIN
L2
3.3 nH
L1
8.2 nH
VIN
C2
1.0 pF
L3
5.6 nH
C14
0.5 pF
C13
47 pF
C12
0.1 pF
C15
0.5 pF
C16
NP
C17
2.7 pF
PCB
Antenna
L4
6.8 nH
VIN
P2 RESET
P4 INT
P3 WAKE
P5 SDI
P6 SCK
P8 CS
P9 CLKOUT
OE
A
VIN
GND
Y
V
CC
1
2
IC2
NC7SZ125P5X
P7 SDO
3
5
4
C3
0.01 μF
VIN
R1
NP
P12 GND
P1 GND
P11 GND
P10 VIN
VIN
C1
1 μF
C6
47 pF
VIN
C4
47 pF
VIN
C5
47 pF
VIN
C18
20 pF
C19
20 pF
X1 20.00 MHz
C9
100 pF
C7
0.01 pF
VIN
C8
1 μF
VIN
Note: NP = Not Placed.










