Information

Table Of Contents
2011 Microchip Technology Inc. Preliminary DS41615A-page 194
PIC12(L)F1501
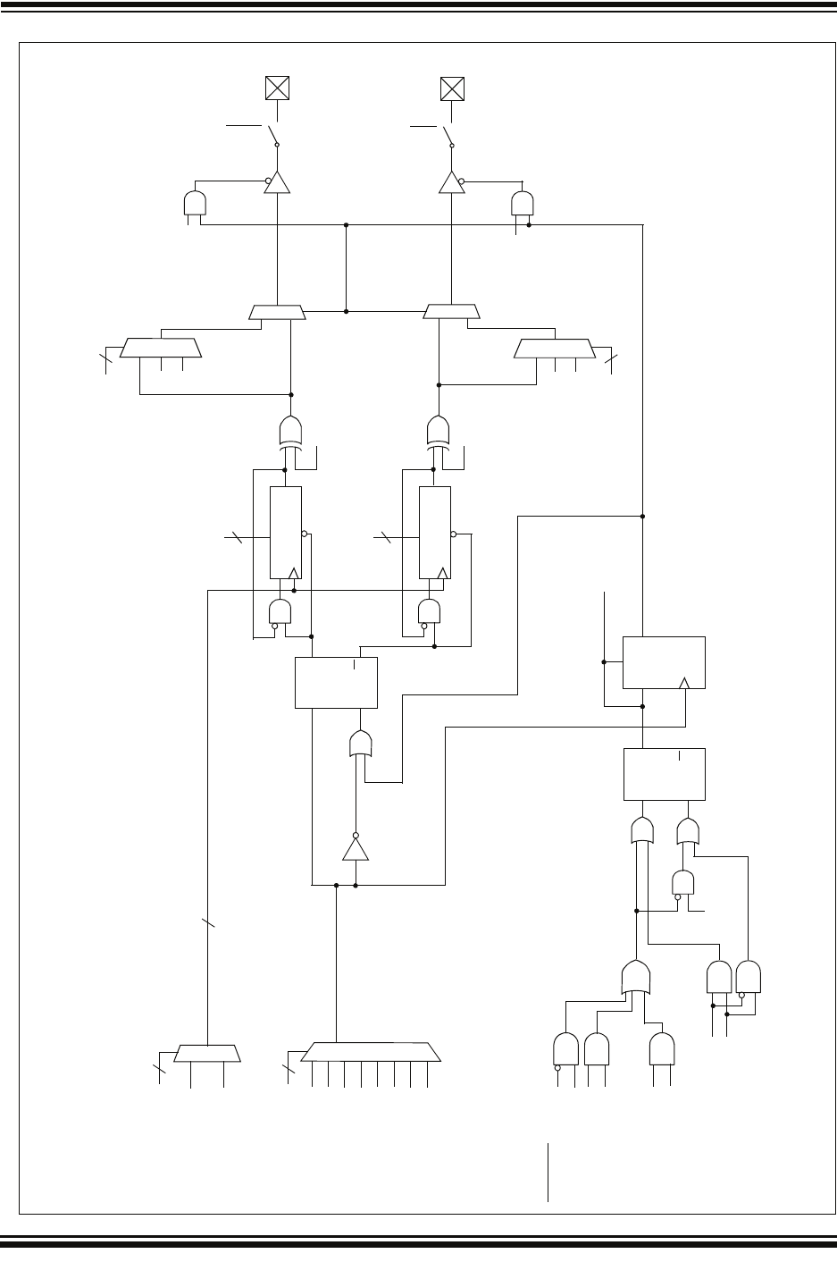
FIGURE 24-1: SIMPLIFIED CWG BLOCK DIAGRAM
cwg_clock
GxCS
Input Source
PWM1OUT
PWM2OUT
NCO1OUT
CWG1FLT (INT pin)
GxASDFLT
LC2OUT
GxASCLC
FOSC
HFINTOSC
GxIS
LC1OUT
Auto-Shutdown
Source
G
x
POLA
1
1
3
QS
RQ
EN
R
GxARSEN
CWGxDBR
G
x
POLB
6
CWGxDBF
0
1
0
1
00
10
11
0
1
00
10
11
0
1
G
x
ASDLB
2
GxASDLA
2
CWGxA
CWGxB
GxASDLA = 01
GxASDLB = 01
GxASE
GxOEA
GxOEB
=
EN
R
6
=
TRISx
TRISx
x = CWG module number
PWM3OUT
PWM4OUT
QS
RQ
QD
S
WRITE
GxASE Data Bit
shutdown
set dominate
async_C1OUT
Reserved
async_C1OUT
GxASDC1