Datasheet

Table Of Contents
2011 Microchip Technology Inc. Preliminary DS41615A-page 45
PIC12(L)F1501
5.0 OSCILLATOR MODULE
5.1 Overview
The oscillator module has a wide variety of clock
sources and selection features that allow it to be used
in a wide range of applications while maximizing perfor-
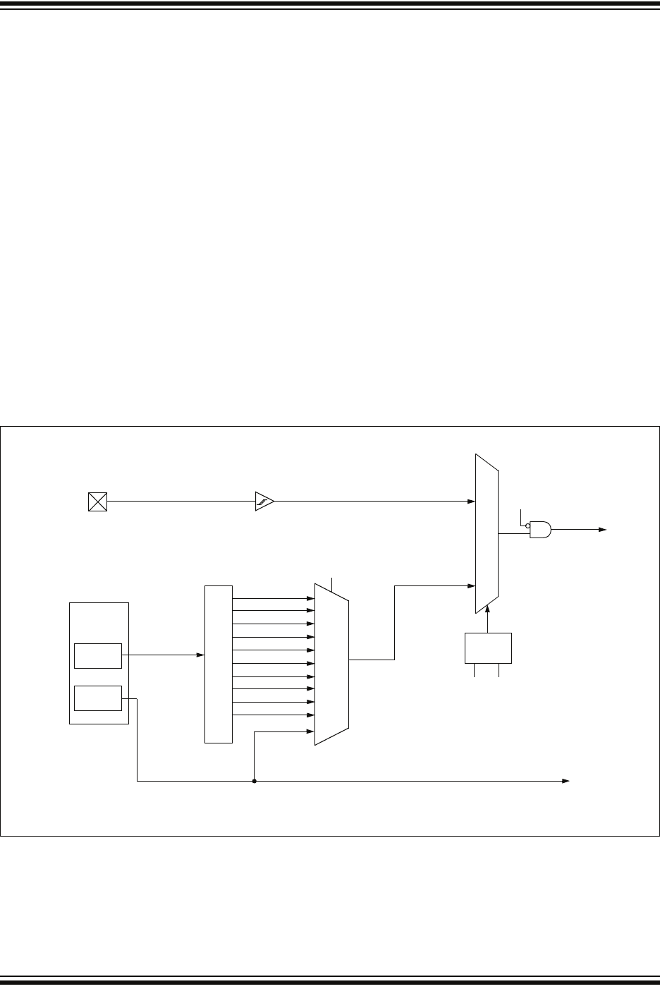
mance and minimizing power consumption. Figure 5-1
illustrates a block diagram of the oscillator module.
The oscillator module can be configured in one of the
following clock modes.
1. ECL – External Clock Low-Power mode
(0 MHz to 0.5 MHz)
2. ECM – External Clock Medium-Power mode
(0.5 MHz to 4 MHz)
3. ECH – External Clock High-Power mode
(4 MHz to 20 MHz)
4. INTOSC – Internal oscillator (31 kHz to 16 MHz)
Clock Source modes are selected by the FOSC<1:0>
bits in the Configuration Words. The FOSC bits
determine the type of oscillator that will be used when
the device is first powered.
The EC clock mode relies on an external logic level
signal as the device clock source.
The INTOSC internal oscillator block produces low and
high-frequency clock sources, designated LFINTOSC
and HFINTOSC. (see Internal Oscillator Block,
Figure 5-1). A wide selection of device clock
frequencies may be derived from these clock sources.
FIGURE 5-1: SIMPLIFIED PIC
®
MCU CLOCK SOURCE BLOCK DIAGRAM
FOSC<1:0>
EC
CPU and
Postscaler
MUX
MUX
16 MHz
8 MHz
4 MHz
2 MHz
1 MHz
250 kHz
500 kHz
IRCF<3:0>
31 kHz
16 MHz
Source
Internal
Oscillator
Block
WDT, PWRT and other modules
16 MHz
Internal Oscillator
(HFINTOSC)
Clock
Control
SCS<1:0>
31 kHz (LFINTOSC)
31 kHz
Source
125 kHz
31.25 kHz
62.5 kHz
Peripherals
Sleep
CLKIN
CLKIN EC