Datasheet
Table Of Contents
- High-Performance RISC CPU:
- Flexible Oscillator Structure:
- Special Microcontroller Features:
- Low-Power Features (PIC12LF1501):
- Peripheral Features:
- Peripheral Features (Continued):
- PIC12(L)F1501/PIC16(L)F150X Family Types
- Table of Contents
- Most Current Data Sheet
- Errata
- Customer Notification System
- 1.0 Device Overview
- 2.0 Enhanced Mid-Range CPU
- 3.0 Memory Organization
- 4.0 Device Configuration
- 5.0 Oscillator Module
- 6.0 Resets
- FIGURE 6-1: Simplified Block Diagram Of On-Chip Reset Circuit
- 6.1 Power-on Reset (POR)
- 6.2 Brown-Out Reset (BOR)
- 6.3 Low-Power Brown-out Reset (LPBOR)
- 6.4 MCLR
- 6.5 Watchdog Timer (WDT) Reset
- 6.6 RESET Instruction
- 6.7 Stack Overflow/Underflow Reset
- 6.8 Programming Mode Exit
- 6.9 Power-Up Timer
- 6.10 Start-up Sequence
- 6.11 Determining the Cause of a Reset
- 6.12 Power Control (PCON) Register
- 7.0 Interrupts
- 8.0 Power-Down Mode (Sleep)
- 9.0 Watchdog Timer
- 10.0 Flash Program Memory Control
- 10.1 PMADRL and PMADRH Registers
- 10.2 Flash Program Memory Overview
- 10.3 Modifying Flash Program Memory
- 10.4 User ID, Device ID and Configuration Word Access
- 10.5 Write Verify
- 10.6 Flash Program Memory Control Registers
- Register 10-1: PMDATL: Program Memory Data Low Byte Register
- Register 10-2: PMDATH: Program Memory Data hIGH bYTE Register
- Register 10-3: PMADRL: Program Memory Address Low Byte Register
- Register 10-4: PMADRH: Program Memory Address hIGH bYTE Register
- Register 10-5: PMCON1: Program Memory Control 1 Register
- Register 10-6: PMCON2: Program Memory Control 2 Register
- TABLE 10-3: Summary of Registers Associated with Flash Program Memory
- TABLE 10-4: Summary of Configuration Word with Flash Program Memory
- 11.0 I/O Ports
- TABLE 11-1: Port Availability Per Device
- FIGURE 11-1: Generic I/O Port Operation
- EXAMPLE 11-1: Initializing PORTA
- 11.1 Alternate Pin Function
- 11.2 PORTA Registers
- 11.2.1 ANSELA Register
- 11.2.2 PORTA Functions and Output Priorities
- TABLE 11-2: PORTA Output Priority
- Register 11-2: PORTA: PORTA Register
- Register 11-3: TRISA: PORTA Tri-State Register
- Register 11-4: LATA: PORTA Data Latch Register
- Register 11-5: ANSELA: PORTA Analog Select Register
- Register 11-6: WPUA: Weak Pull-Up PORTA Register
- TABLE 11-3: Summary of Registers Associated with PORTA
- TABLE 11-4: Summary of Configuration Word with PORTA
- 12.0 Interrupt-On-Change
- 13.0 Fixed Voltage Reference (FVR)
- 14.0 Temperature Indicator Module
- 15.0 Analog-to-Digital Converter (ADC) Module
- FIGURE 15-1: ADC Block Diagram
- 15.1 ADC Configuration
- 15.2 ADC Operation
- 15.2.1 Starting a Conversion
- 15.2.2 Completion of a Conversion
- 15.2.3 Terminating a conversion
- 15.2.4 ADC Operation During Sleep
- 15.2.5 Auto-Conversion Trigger
- 15.2.6 A/D Conversion Procedure
- 15.2.7 ADC Register Definitions
- Register 15-1: ADCON0: A/D Control Register 0
- Register 15-2: ADCON1: A/D Control Register 1
- Register 15-3: ADCON2: A/D Control Register 2
- Register 15-4: ADRESH: ADC Result Register High (ADRESH) ADFM = 0
- Register 15-5: ADRESL: ADC Result Register Low (ADRESL) ADFM = 0
- Register 15-6: ADRESH: ADC Result Register High (ADRESH) ADFM = 1
- Register 15-7: ADRESL: ADC Result Register Low (ADRESL) ADFM = 1
- 15.3 A/D Acquisition Requirements
- 16.0 Digital-to-Analog Converter (DAC) Module
- 17.0 Comparator Module
- 18.0 Timer0 Module
- 19.0 Timer1 Module with Gate Control
- 20.0 Timer2 Module
- 21.0 Pulse-Width Modulation (PWM) Module
- FIGURE 21-1: PWM Output
- FIGURE 21-2: Simplified PWM Block Diagram
- 21.1 PWMx Pin Configuration
- 21.2 PWM Register Definitions
- 22.0 Configurable Logic Cell (CLC)
- FIGURE 22-1: CLCx Simplified Block Diagram
- 22.1 CLCx Setup
- 22.2 CLCx Interrupts
- 22.3 Output Mirror Copies
- 22.4 Effects of a Reset
- 22.5 Operation During Sleep
- 22.6 Alternate Pin Locations
- 22.7 CLCx Control Registers
- Register 22-1: CLCxCON: Configurable Logic CELL Control Register
- Register 22-2: CLCxPOL: Signal Polarity Control Register
- Register 22-3: CLCxSEL0: MULTIPLEXER DATA 1 and 2 SELECT Register
- Register 22-4: CLCxSEL1: MULTIPLEXER DATA 3 and 4 SELECT Register
- Register 22-5: CLCxGLS0: Gate 1 Logic Select Register
- Register 22-6: CLCxGLS1: Gate 2 Logic Select Register
- Register 22-7: CLCxGLS2: Gate 3 Logic Select Register
- Register 22-8: CLCxGLS3: Gate 4 Logic Select Register
- Register 22-9: CLCDATA: CLC Data Output
- TABLE 22-3: Summary Of Registers Associated With CLCx
- 23.0 Numerically Controlled Oscillator (NCO) Module
- FIGURE 23-1: Numerically Controlled Oscillator (NCOx) Module Simplified Block Diagram
- 23.1 NCOx OPERATION
- 23.2 FIXED DUTY CYCLE (FDC) MODE
- 23.3 PULSE FREQUENCY (PF) MODE
- 23.4 OUTPUT POLARITY CONTROL
- 23.5 Interrupts
- 23.6 Effects of a Reset
- 23.7 Operation In Sleep
- 23.8 Alternate Pin Locations
- 23.9 NCOx Control Registers
- Register 23-1: NCOxCON: NCOx Control Register
- Register 23-2: NCOxCLK: NCOx Input Clock Control Register
- Register 23-3: NCOxACCL: NCOx Accumulator Register – Low Byte
- Register 23-4: NCOxACCH: NCOx Accumulator Register – High Byte
- Register 23-5: NCOxACCU: NCOx Accumulator Register – Upper Byte
- Register 23-6: NCOxINCL: NCOx Increment Register – Low Byte
- Register 23-7: NCOxINCH: NCOx Increment Register – High Byte
- TABLE 23-1: Summary of Registers Associated with NCOx
- 24.0 Complementary Waveform Generator (CWG) Module
- FIGURE 24-1: Simplified CWG Block Diagram
- FIGURE 24-2: Typical CWG Operation with PWM1 (no Auto-shutdown)
- 24.1 Fundamental Operation
- 24.2 Clock Source
- 24.3 Selectable Input Sources
- 24.4 Output Control
- 24.5 Dead-Band Control
- 24.6 Rising Edge Dead Band
- 24.7 Falling Edge Dead Band
- 24.8 Dead-Band Uncertainty
- 24.9 Auto-shutdown Control
- 24.10 Operation During Sleep
- 24.11 Alternate Pin Locations
- 24.12 Configuring the CWG
- 24.13 CWG Control Registers
- Register 24-1: CWGxCON0: CWG Control Register 0
- Register 24-2: CWGxCON1: CWG Control Register 1
- Register 24-3: CWGXCON2: CWG Control Register 2
- Register 24-4: CWGxDBR: Complementary Waveform Generator (CWGx) Rising Dead-band Count Register
- Register 24-5: CWGxdbf: Complementary Waveform Generator (CWGx) Falling Dead-Band Count Register
- 24.13.1 Alternate Pin Locations
- 25.0 In-Circuit Serial Programming™ (ICSP™)
- 26.0 Instruction Set Summary
- 27.0 Electrical Specifications
- Absolute Maximum Ratings(†)
- 27.1 DC Characteristics: PIC12(L)F1501-I/E (Industrial, Extended)
- 27.2 DC Characteristics: PIC12(L)F1501-I/E (Industrial, Extended)
- 27.3 DC Characteristics: PIC12(L)F1501-I/E (Power-Down)
- 27.3 DC Characteristics: PIC12(L)F1501-I/E (Power-Down) (Continued)
- 27.4 DC Characteristics: PIC12(L)F1501-I/E
- 27.5 Memory Programming Requirements
- 27.6 Thermal Considerations
- 27.7 Timing Parameter Symbology
- 27.8 AC Characteristics: PIC12(L)F1501-I/E
- FIGURE 27-5: Clock Timing
- TABLE 27-1: Clock Oscillator Timing Requirements
- TABLE 27-2: Oscillator Parameters
- FIGURE 27-6: CLKOUT and I/O Timing
- TABLE 27-3: CLKOUT and I/O Timing Parameters
- FIGURE 27-7: Reset, Watchdog Timer, Oscillator Start-up Timer and Power-up Timer Timing
- FIGURE 27-8: Brown-Out Reset Timing and Characteristics
- TABLE 27-4: Reset, Watchdog Timer, Oscillator Start-up Timer, Power-up Timer and Brown-Out Reset Parameters
- FIGURE 27-9: Timer0 and Timer1 External Clock Timings
- TABLE 27-5: Timer0 and Timer1 External Clock Requirements
- TABLE 27-6: PIC12(L)F1501 A/D Converter (ADC) Characteristics:
- TABLE 27-7: PIC12(L)F1501 A/D Conversion Requirements
- FIGURE 27-10: PIC12(L)F1501 A/D Conversion Timing (Normal Mode)
- FIGURE 27-11: PIC12(L)F1501 A/D Conversion Timing (Sleep Mode)
- TABLE 27-8: Comparator Specifications
- TABLE 27-9: Digital-to-Analog Converter (DAC) Specifications
- 28.0 DC and AC Characteristics Graphs and Charts
- 30.0 Packaging Information
- Appendix A: Data Sheet Revision History
- INDEX
- Product Identification System
- Worldwide Sales and Service

2011 Microchip Technology Inc. Preliminary DS41615A-page 145
PIC12(L)F1501
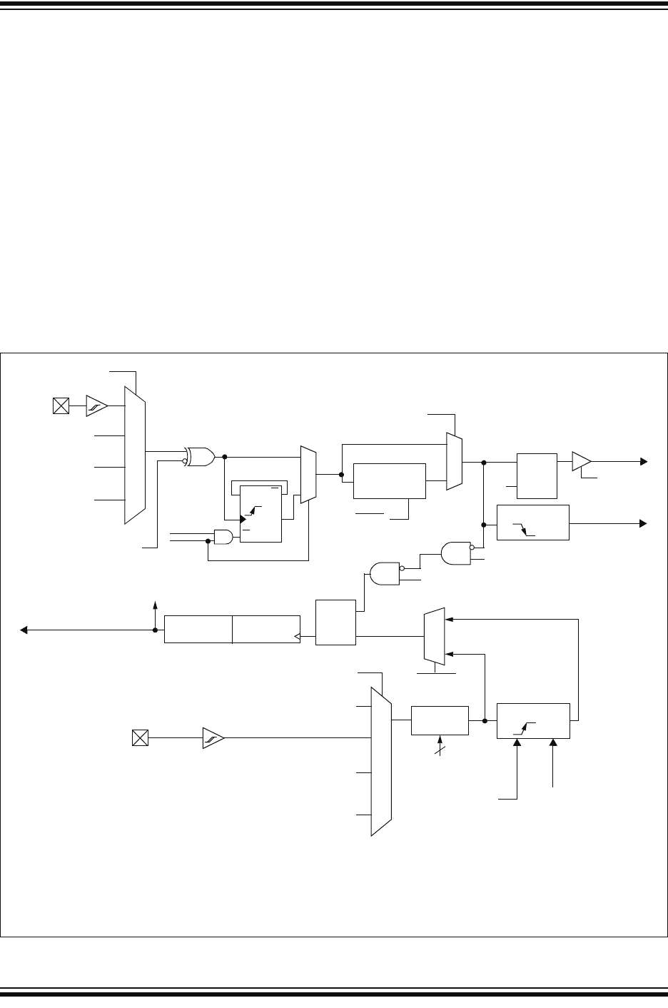
19.0 TIMER1 MODULE WITH GATE
CONTROL
The Timer1 module is a 16-bit timer/counter with the
following features:
• 16-bit timer/counter register pair (TMR1H:TMR1L)
• Programmable internal or external clock source
• 2-bit prescaler
• Optionally synchronized comparator out
• Multiple Timer1 gate (count enable) sources
• Interrupt on overflow
• Wake-up on overflow (external clock,
Asynchronous mode only)
• Special Event Trigger
• Selectable Gate Source Polarity
• Gate Toggle mode
• Gate Single-Pulse mode
• Gate Value Status
• Gate Event Interrupt
Figure 19-1 is a block diagram of the Timer1 module.
FIGURE 19-1: TIMER1 BLOCK DIAGRAM
TMR1H TMR1L
T1SYNC
T1CKPS<1:0>
Prescaler
1, 2, 4, 8
0
1
Synchronized
Clock Input
2
Set flag bit
TMR1IF on
Overflow
TMR1
(2)
TMR1ON
Note 1: ST Buffer is high speed type when using T1CKI.
2: Timer1 register increments on rising edge.
3: Synchronize does not operate while in Sleep.
FOSC/4
Internal
Clock
T1CKI
TMR1CS<1:0>
(1)
Synchronize
(3)
det
Sleep input
TMR1GE
0
1
T1GPOL
D
Q
CK
Q
0
1
T1GVAL
T1GTM
Single Pulse
Acq. Control
T1GSPM
T1GGO/DONE
10
11
00
01
FOSC
Internal
Clock
LFINTOSC
R
D
EN
Q
Q1
RD
T1GCON
Data Bus
det
Interrupt
TMR1GIF
Set
T1CLK
FOSC/2
Internal
Clock
D
EN
Q
t1g_in
TMR1ON
To ADC Auto-Conversion
T1G
00
01
10
11
T1GSS<1:0>
From Timer0
Overflow
Reserved
sync_C1OUT










