Datasheet

Table Of Contents
PIC12(L)F1501
DS41615A-page 128 Preliminary 2011 Microchip Technology Inc.
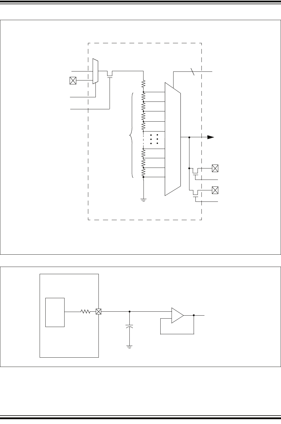
FIGURE 16-1: DIGITAL-TO-ANALOG CONVERTER BLOCK DIAGRAM
FIGURE 16-2: VOLTAGE REFERENCE OUTPUT BUFFER EXAMPLE
32-to-1 MUX
DACR<4:0>
R
R
R
R
R
R
R
32
DAC
DACOUT1
5
(To Comparator and
ADC Module)
DACOE1
VDD
VREF+
DACPSS
DACEN
Steps
Digital-to-Analog Converter (DAC)
R
VSOURCE-
VSOURCE+
DACOUT2
DACOE2
DACOUTX
Buffered DAC Output
+
DAC
Module
Voltage
Reference
Output
Impedance
R
PIC
®
MCU