Information

Table Of Contents
2011 Microchip Technology Inc. Preliminary DS41615A-page 145
PIC12(L)F1501
19.0 TIMER1 MODULE WITH GATE
CONTROL
The Timer1 module is a 16-bit timer/counter with the
following features:
16-bit timer/counter register pair (TMR1H:TMR1L)
Programmable internal or external clock source
2-bit prescaler
Optionally synchronized comparator out
Multiple Timer1 gate (count enable) sources
Interrupt on overflow
Wake-up on overflow (external clock,
Asynchronous mode only)
Special Event Trigger
Selectable Gate Source Polarity
Gate Toggle mode
Gate Single-Pulse mode
Gate Value Status
Gate Event Interrupt
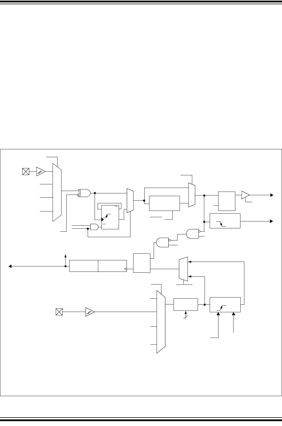
Figure 19-1 is a block diagram of the Timer1 module.
FIGURE 19-1: TIMER1 BLOCK DIAGRAM
TMR1H TMR1L
T1SYNC
T1CKPS<1:0>
Prescaler
1, 2, 4, 8
0
1
Synchronized
Clock Input
2
Set flag bit
TMR1IF on
Overflow
TMR1
(2)
TMR1ON
Note 1: ST Buffer is high speed type when using T1CKI.
2: Timer1 register increments on rising edge.
3: Synchronize does not operate while in Sleep.
FOSC/4
Internal
Clock
T1CKI
TMR1CS<1:0>
(1)
Synchronize
(3)
det
Sleep input
TMR1GE
0
1
T1GPOL
D
Q
CK
Q
0
1
T1GVAL
T1GTM
Single Pulse
Acq. Control
T1GSPM
T1GGO/DONE
10
11
00
01
FOSC
Internal
Clock
LFINTOSC
R
D
EN
Q
Q1
RD
T1GCON
Data Bus
det
Interrupt
TMR1GIF
Set
T1CLK
FOSC/2
Internal
Clock
D
EN
Q
t1g_in
TMR1ON
To ADC Auto-Conversion
T1G
00
01
10
11
T1GSS<1:0>
From Timer0
Overflow
Reserved
sync_C1OUT