Information

Table Of Contents
2011 Microchip Technology Inc. Preliminary DS41615A-page 61
PIC12(L)F1501
7.0 INTERRUPTS
The interrupt feature allows certain events to preempt
normal program flow. Firmware is used to determine
the source of the interrupt and act accordingly. Some
interrupts can be configured to wake the MCU from
Sleep mode.
This chapter contains the following information for
Interrupts:
Operation
Interrupt Latency
Interrupts During Sleep
•INT Pin
Automatic Context Saving
Many peripherals produce interrupts. Refer to the
corresponding chapters for details.
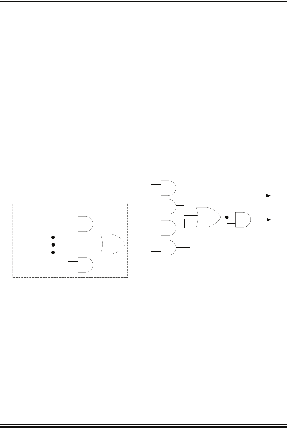
A block diagram of the interrupt logic is shown in
Figure 7-1.
FIGURE 7-1: INTERRUPT LOGIC
TMR0IF
TMR0IE
INTF
INTE
IOCIF
IOCIE
Interrupt
to CPU
Wake-up
(If in Sleep mode)
GIE
(TMR1IF) PIR1<0>
PIRn<7>
PIEn<7>
PEIE
Peripheral Interrupts
(TMR1IF) PIR1<0>