Datasheet

Table Of Contents
2011-2013 Microchip Technology Inc. DS40001609C-page 13
PIC16(L)F1508/9
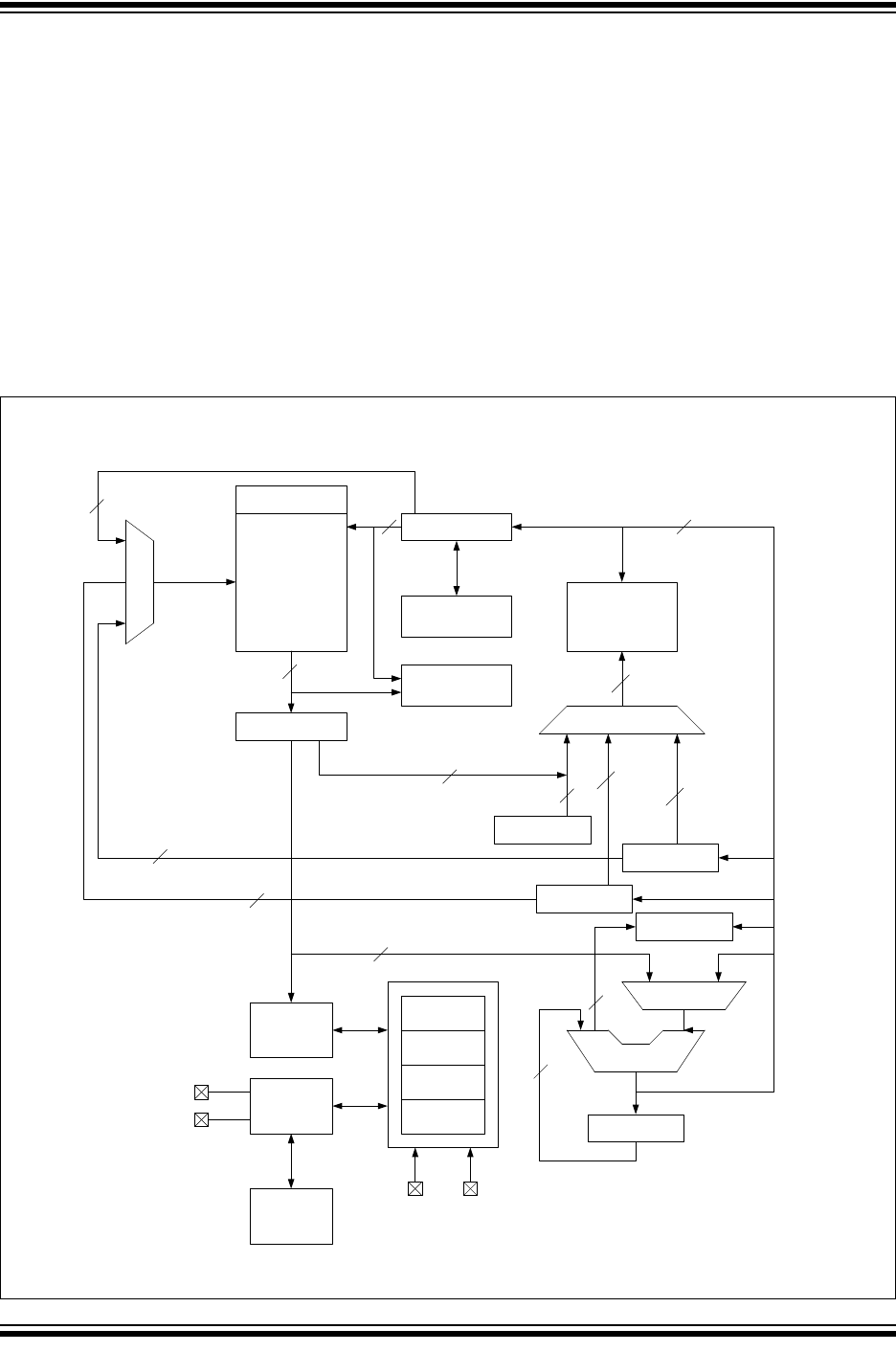
2.0 ENHANCED MID-RANGE CPU
This family of devices contain an enhanced mid-range
8-bit CPU core. The CPU has 49 instructions. Interrupt
capability includes automatic context saving. The
hardware stack is 16 levels deep and has Overflow and
Underflow Reset capability. Direct, Indirect, and
Relative addressing modes are available. Two File
Select Registers (FSRs) provide the ability to read
program and data memory.
Automatic Interrupt Context Saving
16-level Stack with Overflow and Underflow
File Select Registers
Instruction Set
FIGURE 2-1: CORE BLOCK DIAGRAM
15
15
15
15
8
8
8
12
14
7
5
3
Program Counter
MUX
Addr MUX
16-Level Stack
(15-bit)
Program Memory
Read (PMR)
Instruction Reg
Configuration
FSR0 Reg
FSR1 Reg
BSR Reg
STATUS Reg
RAM
WReg
Power-up
Timer
Power-on
Reset
Watchdog
Timer
Brown-out
Reset
Instruction
Decode and
Control
Timing
Generation
Internal
Oscillator
Block
ALU
Flash
Program
Memory
MUX
Data Bus
Program
Bus
Direct Addr
Indirect
Addr
RAM Addr
CLKIN
CLKOUT
V
DD VSS
Rev. 10-000055A
7/30/2013
12
12