Datasheet

Table Of Contents
PIC16(L)F1508/9
DS40001609C-page 204 2011-2013 Microchip Technology Inc.
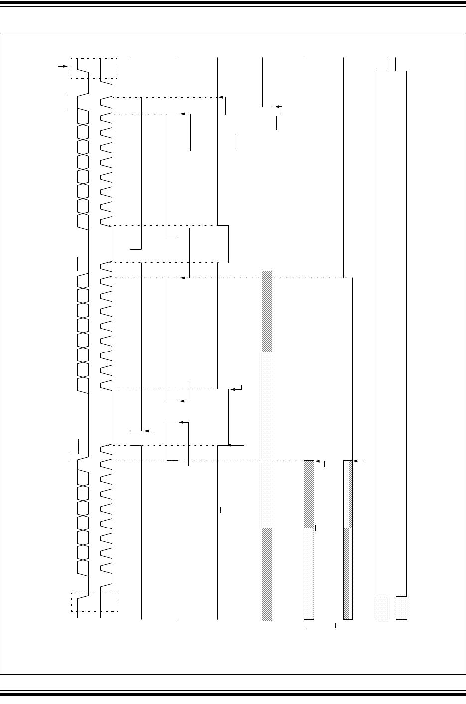
FIGURE 21-18: I
2
C SLAVE, 7-BIT ADDRESS, TRANSMISSION (AHEN = 0)
Receiving Address Automatic Transmitting Data Automatic Transmitting Data
A7 A6 A5 A4 A3 A2 A1 D7 D6 D5 D4 D3 D2 D1 D0 D7 D6 D5 D4 D3 D2 D1 D0
1 2 3 4 5 6 7 8 9 1 2 3 4 5 6 7 8 9 1 2 3 4 5 6 7 8 9
SDAx
SCLx
SSPxIF
BF
CKP
ACKSTAT
R/W
D/A
S
P
Received address
When R/W is set
R/W is copied from the
Indicates an address
is read from SSPxBUF
SCLx is always
held low after 9th SCLx
falling edge
matching address byte
has been received
Masters not ACK
is copied to
ACKSTAT
CKP is not
held for not
ACK
BF is automatically
cleared after 8th falling
edge of SCLx
Data to transmit is
loaded into SSPxBUF
Set by software
Cleared by software
ACK
ACK
ACK
R/W = 1
S
P
Master sends
Stop condition