Datasheet

Table Of Contents
PIC16(L)F1508/9
DS40001609C-page 210 2011-2013 Microchip Technology Inc.
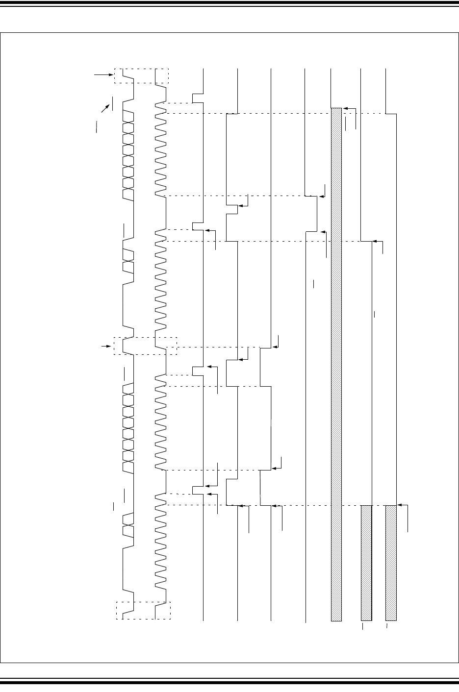
FIGURE 21-22: I
2
C SLAVE, 10-BIT ADDRESS, TRANSMISSION (SEN = 0, AHEN = 0, DHEN = 0)
Receiving Address
ACK
Receiving Second Address Byte
Sr
Receive First Address Byte
ACK
Transmitting Data Byte
1 1 1 1 0
A9 A8 A7 A6 A5 A4 A3 A2 A1 A0
1 1 1 1 0
A9 A8 D7 D6 D5 D4 D3 D2 D1 D0SDAx
SCLx
SSPxIF
BF
UA
CKP
R/W
D/A
1
2345
6789
1
2345
6789
1
2345
6789
1
23456
789
ACK
= 1
P
Master sends
Stop condition
Master sends
not ACK
Master sends
Restart event
ACK
R/W = 0
S
Cleared by software
After SSPxADD is
updated, UA is cleared
and SCLx is released
High address is loaded
Received address is Data to transmit is
Set by software
Indicates an address
When R/W = 1;
R/W is copied from the
Set by hardware
UA indicates SSPxADD
SSPxBUF loaded
with received address
must be updated
has been received
loaded into SSPxBUF
releases SCLx
Masters not ACK
is copied
matching address byte
CKP is cleared on
9th falling edge of SCLx
read from SSPxBUF
back into SSPxADD
ACKSTAT
Set by hardware