Datasheet

Table Of Contents
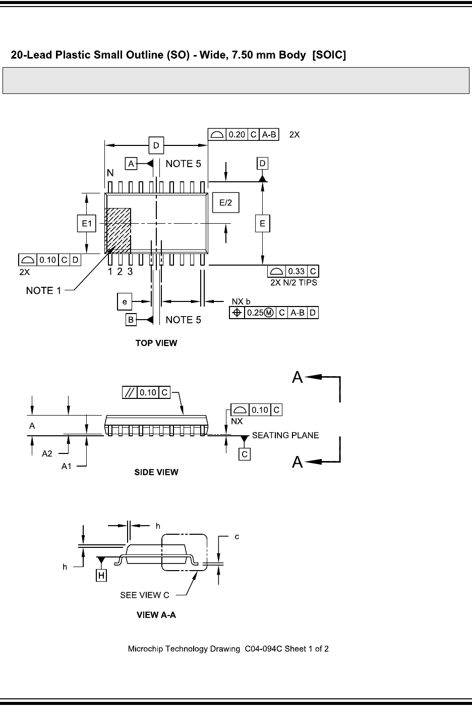
PIC16(L)F1508/9
DS40001609C-page 404 2011-2013 Microchip Technology Inc.
Note: For the most current package drawings, please see the Microchip Packaging Specification located at
http://www.microchip.com/packaging