Datasheet

Table Of Contents
PIC16(L)F1526/7
DS41458C-page 200 2011-2013 Microchip Technology Inc.
The I
2
C interface supports the following modes and
features:
•Master mode
Slave mode
Byte NACKing (Slave mode)
Limited Multi-master support
7-bit and 10-bit addressing
Start and Stop interrupts
Interrupt masking
Clock stretching
Bus collision detection
General call address matching
•Address masking
Address Hold and Data Hold modes
Selectable SDAx hold times
Figure 21-2 is a block diagram of the I
2
C Interface
module in Master mode. Figure 21-3 is a diagram of the
I
2
C interface module in Slave mode.
The PIC16F1527 has two MSSP modules, MSSP1 and
MSSP2, each module operating independently from
the other.
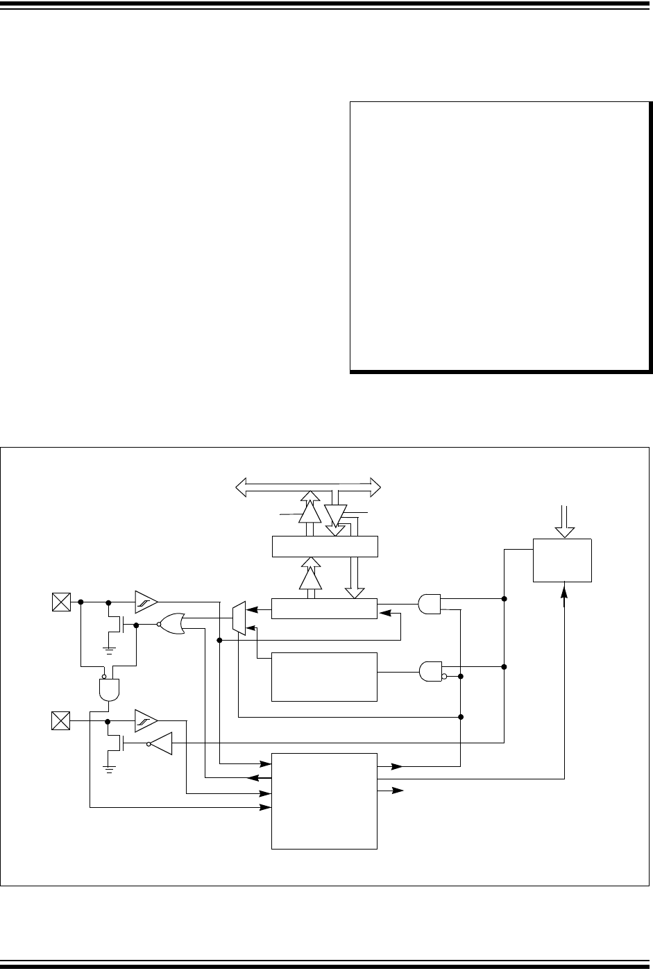
FIGURE 21-2: MSSPX BLOCK DIAGRAM (I
2
C™ MASTER MODE)
Note 1: In devices with more than one MSSP
module, it is very important to pay close
attention to SSPxCONx register names.
SSP1CON1 and SSP1CON2 registers
control different operational aspects of
the same module, while SSP1CON1 and
SSP2CON1 control the same features for
two different modules.
2: Throughout this section, generic refer-
ences to an MSSP module in any of its
operating modes may be interpreted as
being equally applicable to MSSP1 or
MSSP2. Register names, module I/O sig-
nals, and bit names may use the generic
designator ‘x’ to indicate the use of a
numeral to distinguish a particular module
when required.
Read Write
SSPxSR
Start bit, Stop bit,
Start bit detect,
SSPxBUF
Internal
data bus
Set/Reset: S, P, SSPxSTAT, WCOL, SSPOV
Shift
Clock
MSb
LSb
SDAx
Acknowledge
Generate (SSPxCON2)
Stop bit detect
Write collision detect
Clock arbitration
State counter for
end of XMIT/RCV
SCLx
SCLx in
Bus Collision
SDAx in
Receive Enable (RCEN)
Clock Cntl
Clock arbitrate/BCOL detect
(Hold off clock source)
[SSPM 3:0]
Baud rate
Reset SEN, PEN (SSPxCON2)
generator
(SSPxADD)
Address Match detect
Set SSPxIF, BCLxIF