Datasheet

Table Of Contents
PIC16(L)F1526/7
DS41458C-page 166 2011-2013 Microchip Technology Inc.
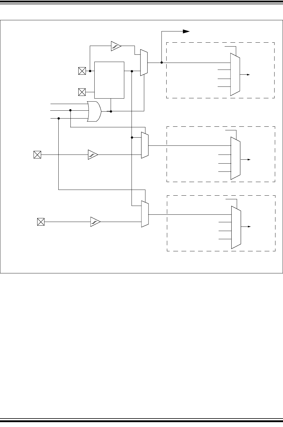
FIGURE 18-2: TIMER1/3/5 CLOCK SOURCE DIAGRAM
Note 1: ST Buffer is high-speed type when using TxCKI.
Secondary
SOSCO/T1CKI
SOSCI
T1CON[SOSCEN]
0
1
TMR1CS<1:0>
(1)
EN
OUT
10
11
00
01
To Clock Switching (SOSC users)
T3CON[SOSCEN]
T5CON[SOSCEN]
Timer 1
TMR3CS<1:0>
10
Timer 3
TMR5CS<1:0>
10
Timer 5
1
0
1
0
T3CKI
T5CKI
(1)
(1)
Oscillator
Timer1
Timer3
Timer5
11
00
01
11
00
01
LFINTOSC
F
OSC/4
FOSC
LFINTOSC
F
OSC/4
FOSC
LFINTOSC
F
OSC/4
FOSC