Datasheet

Table Of Contents
PIC16F627A/628A/648A
DS40044A-page 40 Preliminary 2002 Microchip Technology Inc.
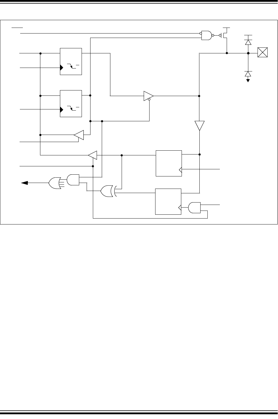
FIGURE 5-13: BLOCK DIAGRAM OF RB5 PIN
Data Bus
WR PORTB
WR TRISB
RD PORTB
Data Latch
TRIS Latch
RB5 pin
TTL
input
buffer
RD TRISB
RBPU
P
V
DD
weak
pull-up
From other
QD
EN
QD
EN
Set RBIF
RB<7:4> pins
VDD
VSS
Q
D
Q
CK
Q
D
Q
CK
Q1
Q3