Datasheet

Table Of Contents
© 2008 Microchip Technology Inc. DS41262E-page 105
PIC16F631/677/685/687/689/690
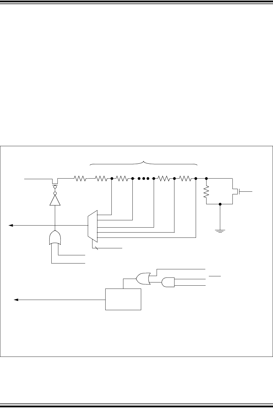
8.10.5 FIXED VOLTAGE REFERENCE
The fixed voltage reference is independent of VDD, with
a nominal output voltage of 0.6V. This reference can be
enabled by setting the VP6EN bit of the VRCON
register to ‘1’. This reference is always enabled when
the HFINTOSC oscillator is active.
8.10.6 FIXED VOLTAGE REFERENCE
STABILIZATION PERIOD
When the Fixed Voltage Reference module is enabled,
it will require some time for the reference and its
amplifier circuits to stabilize. The user program must
include a small delay routine to allow the module to
settle. See the electrical specifications section for the
minimum delay requirement.
8.10.7 VOLTAGE REFERENCE
SELECTION
Multiplexers on the output of the Voltage Reference
module enable selection of either the CV
REF or fixed
voltage reference for use by the comparators.
Setting the C1VREN bit of the VRCON register enables
current to flow in the CV
REF voltage divider and selects
the CV
REF voltage for use by C1. Clearing the C1VREN
bit selects the fixed voltage for use by C1.
Setting the C2VREN bit of the VRCON register enables
current to flow in the CV
REF voltage divider and selects
the CV
REF voltage for use by C2. Clearing the C2VREN
bit selects the fixed voltage for use by C2.
When both the C1VREN and C2VREN bits are cleared,
current flow in the CV
REF voltage divider is disabled
minimizing the power drain of the voltage reference
peripheral.
FIGURE 8-8: COMPARATOR VOLTAGE REFERENCE BLOCK DIAGRAM
VRR
8R
VR<3:0>
(1)
Analog
8RRR RR
16 Stages
VDD
MUX
Fixed Voltage
C2VREN
C1VREN
CV
REF
(1)
Reference
EN
VP6EN
Sleep
HFINTOSC enable
0.6V
Fixed Ref
To Comparators
and ADC Module
To Comparators
and ADC Module
Note 1: Care should be taken to ensure V
REF remains
within the comparator Common mode input
range. See Section 17.0 “Electrical Specifica-
tions” for more detail.
15
0
4