Datasheet

Table Of Contents
© 2008 Microchip Technology Inc. DS41262E-page 9
PIC16F631/677/685/687/689/690
1.0 DEVICE OVERVIEW
The PIC16F631/677/685/687/689/690 devices are
covered by this data sheet. They are available in 20-pin
PDIP, SOIC, TSSOP and QFN packages.
Block Diagrams and pinout descriptions of the devices
are as follows:
PIC16F631 (Figure 1-1, Table 1-1)
PIC16F677 (Figure 1-2, Table 1-2)
PIC16F685 (Figure 1-3, Table 1-3)
PIC16F687/PIC16F689 (Figure 1-4, Table 1-4)
PIC16F690 (Figure 1-5, Table 1-5)
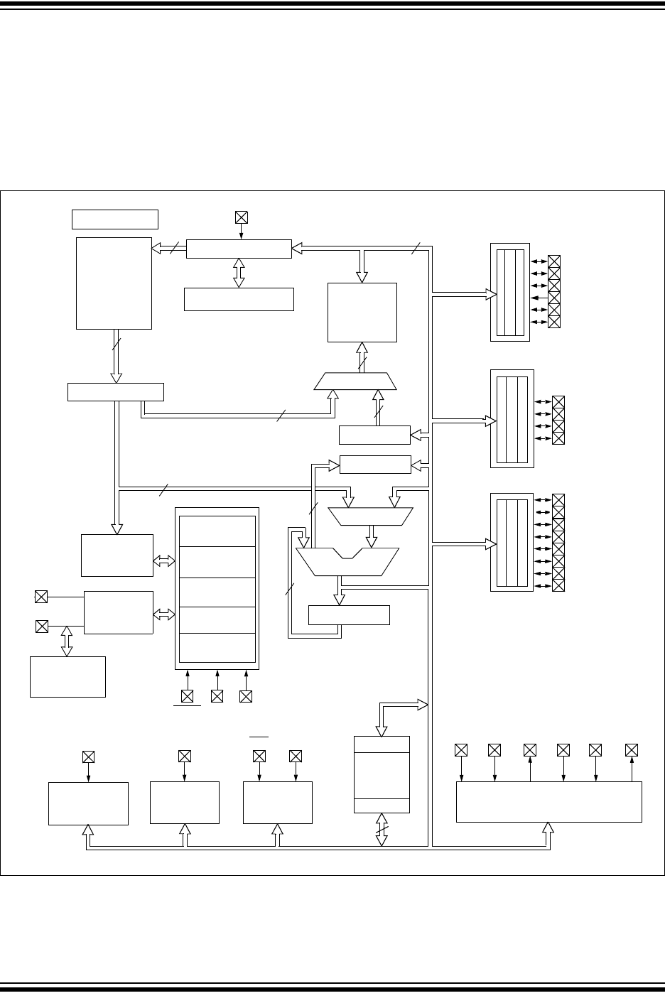
FIGURE 1-1: PIC16F631 BLOCK DIAGRAM
Power-up
Timer
Oscillator
Start-up Timer
Power-on
Reset
Watchdog
Timer
Brown-out
Reset
Flash
Program
Memory
13
Data Bus
8
14
Program
Bus
Instruction Reg
Program Counter
RAM
File
Registers
Direct Addr
7
RAM Addr
9
Addr MUX
Indirect
Addr
FSR Reg
STATUS Reg
MUX
ALU
W Reg
Instruction
Decode and
Control
Timing
Generation
OSC1/CLKI
OSC2/CLKO
8
8
8
3
8-Level Stack (13-bit)
64 bytes
1K x 14
VDD
INT
Configuration
Internal
Oscillator
MCLR
Block
VSS
2
Timer0 Timer1
Analog Comparators
C1IN- C1IN+ C1OUT
and Reference
8
C2IN- C2IN+ C2OUT
T1G T1CKIT0CKI
Data
EEPROM
128 Bytes
EEDAT
EEADR
RB4
RB5
RB6
RB7
PORTA
RA0
RA1
RA2
RA3
RA4
RA5
PORTC
RC0
RC1
RC2
RC3
RC4
RC5
RC6
RC7
PORTB
Ultra Low-Power
Wake-up
ULPWU