Datasheet

Table Of Contents
© 2008 Microchip Technology Inc. DS41262E-page 209
PIC16F631/677/685/687/689/690
14.3.2 TIMER0 INTERRUPT
An overflow (FFh 00h) in the TMR0 register will set
the T0IF (INTCON<2>) bit. The interrupt can be
enabled/disabled by setting/clearing T0IE (INTCON<5>)
bit. See Section 5.0 “Timer0 Module” for operation of
the Timer0 module.
14.3.3 PORTA/PORTB INTERRUPT
An input change on PORTA or PORTB change sets the
RABIF (INTCON<0>) bit. The interrupt can be enabled/
disabled by setting/clearing the RABIE (INTCON<3>)
bit. Plus, individual pins can be configured through the
IOCA or IOCB registers.
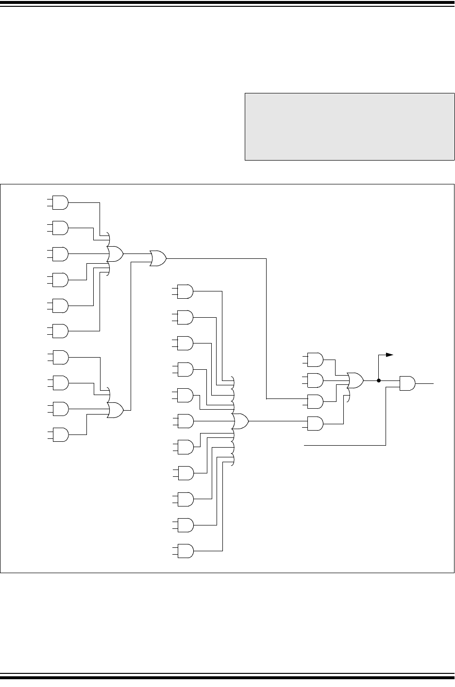
FIGURE 14-7: INTERRUPT LOGIC
Note: If a change on the I/O pin should occur
when the read operation is being executed
(start of the Q2 cycle), then the RABIF
interrupt flag may not get set. See
Section 4.2.3 “Interrupt-on-change” for
more information.
C1IF
C1IE
T0IF
T0IE
INTF
INTE
RABIF
RABIE
GIE
PEIE
Wake-up (If in Sleep mode)
(1)
Interrupt to CPU
EEIE
EEIF
ADIF
ADIE
IOC-RA0
IOCA0
IOC-RA1
IOCA1
IOC-RA2
IOCA2
IOC-RA3
IOCA3
IOC-RA4
IOCA4
IOC-RA5
IOCA5
CCP1IF
CCP1IE
OSFIF
OSFIE
C2IF
C2IE
IOC-RB4
IOCB4
IOC-RB5
IOCB5
IOC-RB6
IOCB6
IOC-RB7
IOCB7
RCIF
RCIE
TMR2IE
TMR2IF
SSPIE
SSPIF
TXIE
TXIF
TMR1IE
TMR1IF
Note 1: Some peripherals depend upon the system
clock for operation. Since the system clock is
suspended during Sleep, these peripherals
will not wake the part from Sleep. See
Section 14.6.1 “Wake-up from Sleep”.