Datasheet

Table Of Contents
© 2008 Microchip Technology Inc. DS41262E-page 11
PIC16F631/677/685/687/689/690
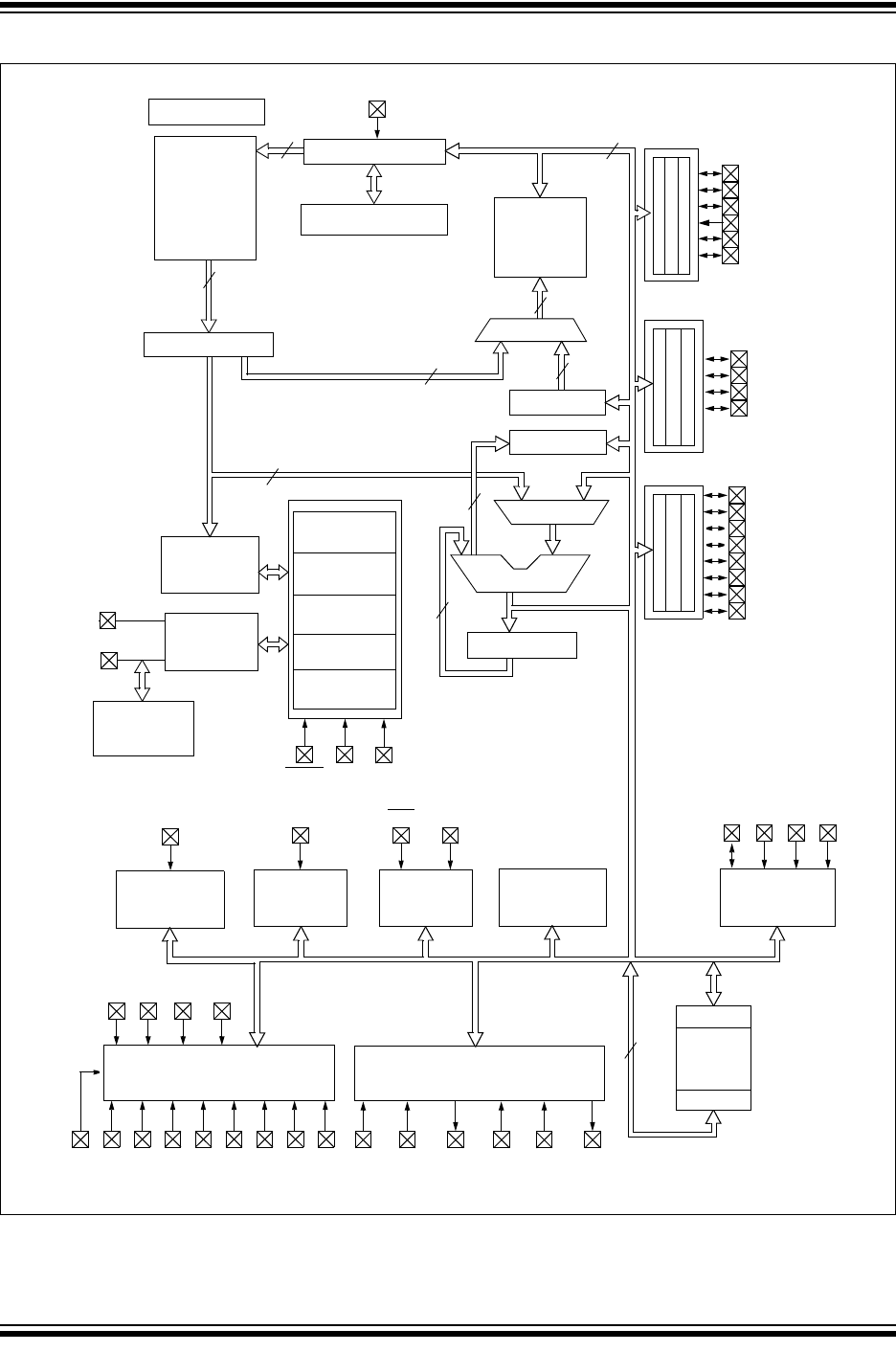
FIGURE 1-3: PIC16F685 BLOCK DIAGRAM
Power-up
Timer
Oscillator
Start-up Timer
Power-on
Reset
Watchdog
Timer
Brown-out
Reset
RB4
RB5
RB6
RB7
Flash
Program
Memory
13
Data Bus
8
14
Program
Bus
Instruction Reg
Program Counter
RAM
File
Registers
Direct Addr
7
RAM Addr
9
Addr MUX
Indirect
Addr
FSR Reg
STATUS Reg
MUX
ALU
W Reg
Instruction
Decode and
Control
Timing
Generation
OSC1/CLKI
OSC2/CLKO
PORTA
8
8
8
3
8-Level Stack (13-bit)
256 bytes
4K x 14
VDD
RA0
RA1
RA2
RA3
RA4
RA5
INT
Configuration
Internal
Oscillator
MCLR
Block
PORTC
RC0
RC1
RC2
RC3
RC4
RC5
RC6
RC7
PORTB
VSS
8
ECCP+
CCP1/
P1B P1C P1DP1A
Data
EEPROM
256 Bytes
EEDAT
EEADR
2
Timer0 Timer1
Analog Comparators
Analog-to-Digital Converter
C1IN- C1IN+ C1OUT
VREF
and Reference
C2IN- C2IN+ C2OUT
AN0 AN1 AN2 AN3 AN4 AN5 AN6
AN8 AN9 AN10 AN11
AN7
T1G
T1CKIT0CKI
Timer2
Ultra Low-Power
Wake-up
ULPWU