Datasheet

Table Of Contents
© 2008 Microchip Technology Inc. DS41262E-page 179
PIC16F631/677/685/687/689/690
13.0 SSP MODULE OVERVIEW
The Synchronous Serial Port (SSP) module is a serial
interface used to communicate with other peripheral or
microcontroller devices. These peripheral devices
may be serial EEPROMs, shift registers, display
drivers, A/D converters, etc. The SSP module can
operate in one of two modes:
Serial Peripheral Interface (SPI)
Inter-Integrated Circuit (I
2
C)
Refer to Application Note AN578, “Use of the SSP
Module in the Multi-Master Environment” (DS00578).
13.1 SPI Mode
This section contains register definitions and operational
characteristics of the SPI module.
The SPI mode allows 8 bits of data to be synchronously
transmitted and received simultaneously. To accomplish
communication, typically three pins are used:
Serial Data Out (SDO)
Serial Data In (SDI)
Serial Clock (SCK)
Additionally, a fourth pin may be used when in a Slave
mode of operation:
Slave Select (SS
)
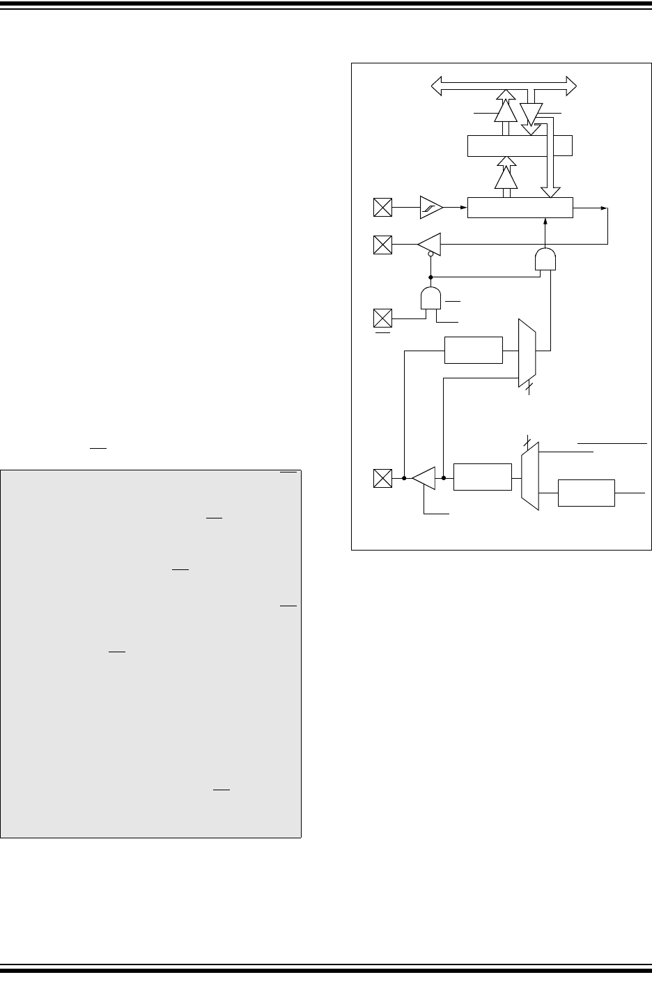
FIGURE 13-1: SSP BLOCK DIAGRAM
(SPI MODE)
Note 1: When the SPI is in Slave mode with SS
pin control enabled (SSPM<3:0> bits of
the SSPCON register = 0100), the SPI
module will reset if the SS pin is set to
V
DD.
2: If the SPI is used in Slave mode with
CKE = 1, then the SS pin control must be
enabled.
3: When the SPI is in Slave mode with SS
pin control enabled (SSPM<3:0> bits of
the SSPCON register = 0100), the state
of the SS pin can affect the state read
back from the TRISC<4> bit. The
peripheral OE signal from the SSP
module into PORTC controls the state that
is read back from the TRISC<4> bit (see
Section 17.0 “Electrical
Specifications” for information on
PORTC). If read-write-modify instructions,
such as BSF, are performed on the
TRISC register while the SS
pin is high,
this will cause the TRISC<7> bit to be set,
thus disabling the SDO output.
Read Write
Internal
Data Bus
SCK/
SSPSR Reg
SSPBUF Reg
SSPM<3:0>
bit 0
Shift
Clock
SS
Control
Enable
Edge
Select
Clock Select
TMR2 Output
T
CY
Prescaler
4, 16, 64
TRISB<6>
2
Edge
Select
2
4
SCL
Peripheral OE
SDI/SDA
SDO
SS