Datasheet

Table Of Contents
© 2008 Microchip Technology Inc. DS41262E-page 79
PIC16F631/677/685/687/689/690
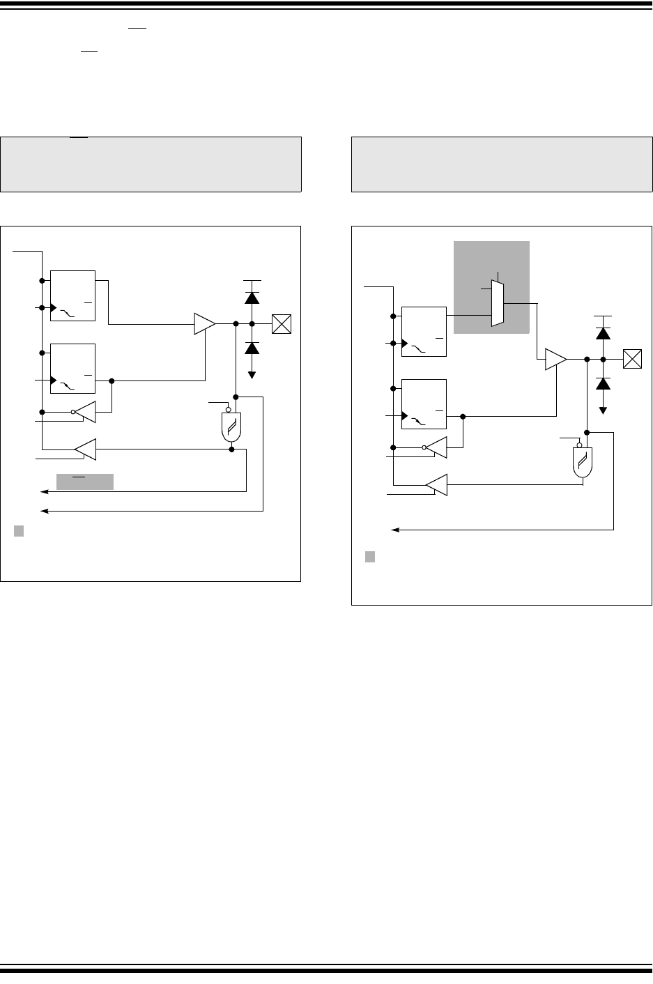
4.5.7 RC6/AN8/SS
The RC6/AN8/SS
(1,2)
is configurable to function as one
of the following:
a general purpose I/O
an analog input for the ADC (except PIC16F631)
a slave select input
FIGURE 4-15: BLOCK DIAGRAM OF RC6
4.5.8 RC7/AN9/SDO
The RC7/AN9/SDO
(1,2)
is configurable to function as
one of the following:
a general purpose I/O
an analog input for the ADC (except PIC16F631)
a serial data output
FIGURE 4-16: BLOCK DIAGRAM OF RC7
Note 1: SS is available on
PIC16F687/PIC16F689/PIC16F690 only.
2: AN8 is not implemented on PIC16F631.
VDD
VSS
D
Q
CK
Q
D
Q
CK
Q
Data Bus
WR
PORTC
WR
TRISC
RD
TRISC
To A/D Converter
(2)
RD
PORTC
Analog Input
Mode
(1)
To S S Input
Available on PIC16F685/PIC16F690 only.
Note 1: ANSEL determines Analog Input mode.
2: Not implemented on PIC16F631.
I/O Pin
Note 1: SDO is available on PIC16F687/
PIC16F689/PIC16F690 only.
2: AN9 is not implemented on PIC16F631.
0
1
1
0
SDO
PORT/SDO
VDD
VSS
D
Q
CK
Q
D
Q
CK
Q
Data Bus
WR
PORTC
WR
TRISC
RD
TRISC
To A/D Converter
(2)
RD
PORTC
Analog Input
Mode
(1)
Available on PIC16F685/PIC16F690 only.
Note 1: ANSEL determines Analog Input mode.
2: Not implemented on PIC16F631.
I/O Pin
Select