Datasheet

Table Of Contents
PIC16F631/677/685/687/689/690
DS41262E-page 144 © 2008 Microchip Technology Inc.
11.4.6 PROGRAMMABLE DEAD-BAND
DELAY MODE
In Half-Bridge applications where all power switches
are modulated at the PWM frequency, the power
switches normally require more time to turn off than to
turn on. If both the upper and lower power switches are
switched at the same time (one turned on, and the
other turned off), both switches may be on for a short
period of time until one switch completely turns off.
During this brief interval, a very high current
(shoot-through current) will flow through both power
switches, shorting the bridge supply. To avoid this
potentially destructive shoot-through current from
flowing during switching, turning on either of the power
switches is normally delayed to allow the other switch
to completely turn off.
In Half-Bridge mode, a digitally programmable
dead-band delay is available to avoid shoot-through
current from destroying the bridge power switches. The
delay occurs at the signal transition from the non-active
state to the active state. See Figure 11-8 for illustration.
The lower seven bits of the associated PWM1CON
register (Register 11-3) sets the delay period in terms
of microcontroller instruction cycles (T
CY or 4 TOSC).
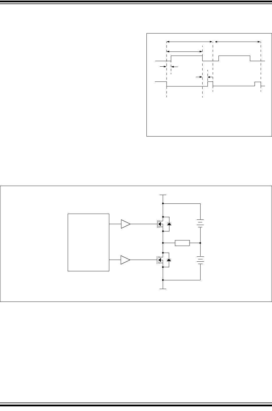
FIGURE 11-17: EXAMPLE OF
HALF-BRIDGE PWM
OUTPUT
FIGURE 11-18: EXAMPLE OF HALF-BRIDGE APPLICATIONS
Period
Pulse Width
td
td
(1)
P1A
(2)
P1B
(2)
td = Dead-Band Delay
Period
(1) (1)
Note 1: At this time, the TMR2 register is equal to the
PR2 register.
2: Output signals are shown as active-high.
P1A
P1B
FET
Driver
FET
Driver
V+
V-
Load
+
V
-
+
V
-
Standard Half-Bridge Circuit (“Push-Pull”)