Datasheet

Table Of Contents
PIC16F631/677/685/687/689/690
DS41262E-page 64 © 2008 Microchip Technology Inc.
4.2.5 PIN DESCRIPTIONS AND
DIAGRAMS
Each PORTA pin is multiplexed with other functions. The
pins and their combined functions are briefly described
here. For specific information about individual functions
such as the comparator or the A/D Converter (ADC),
refer to the appropriate section in this data sheet.
4.2.5.1 RA0/AN0/C1IN+/ICSPDAT/ULPWU
Figure 4-2 shows the diagram for this pin. The
RA0/AN0/C1IN+/ICSPDAT/ULPWU pin is configurable
to function as one of the following:
a general purpose I/O
an analog input for the ADC (except PIC16F631)
an analog input to Comparator C1
In-Circuit Serial Programming™ data
an analog input for the Ultra Low-Power Wake-up
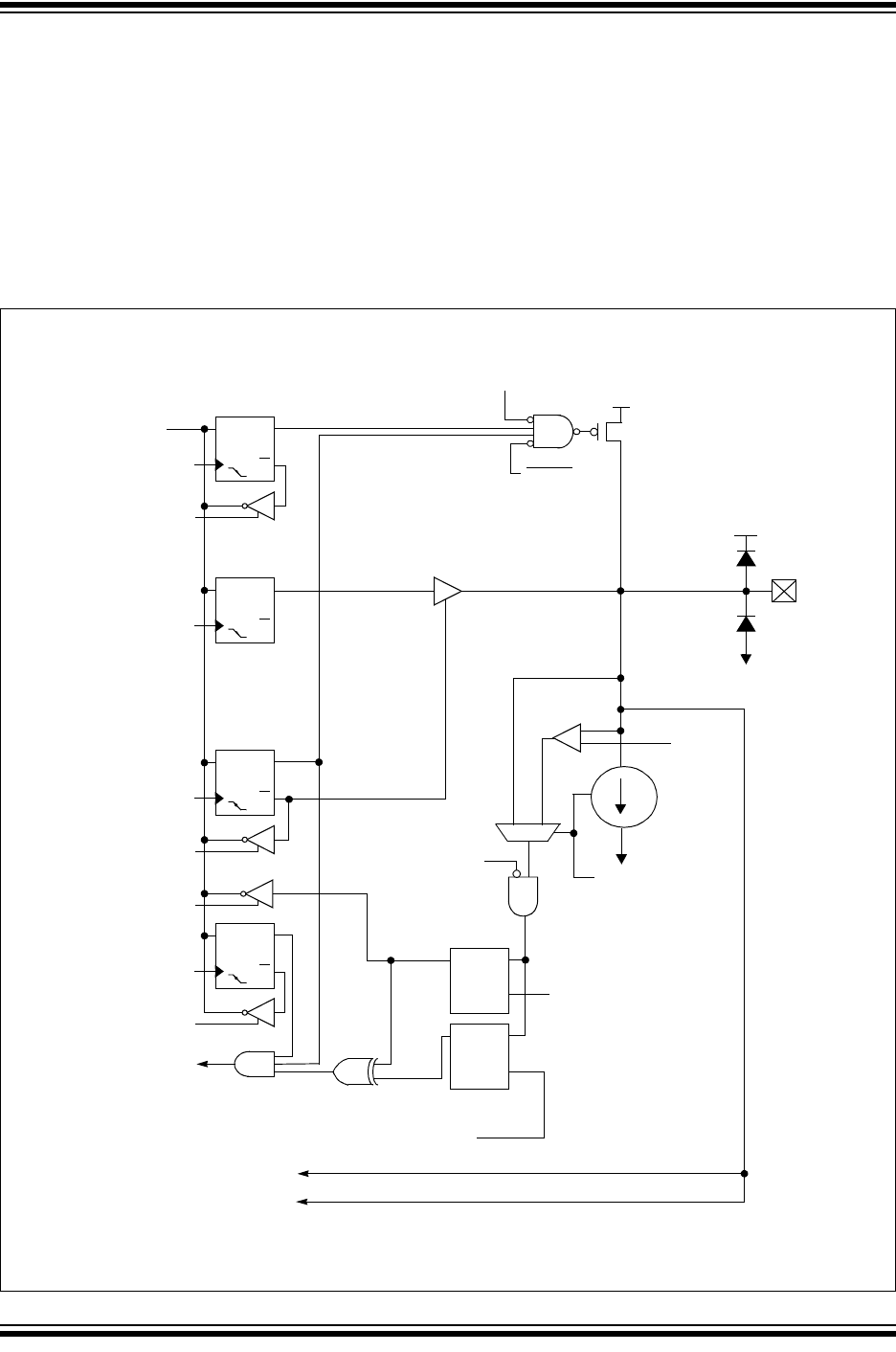
FIGURE 4-1: BLOCK DIAGRAM OF RA0
I/O Pin
VDD
VSS
D
Q
CK
Q
D
Q
CK
Q
D
Q
CK
Q
D
Q
CK
Q
VDD
D
EN
Q
D
EN
Q
Weak
RD PORTA
RD
WR
WR
RD
WR
IOCA
RD
IOCA
Interrupt-on-Change
To Comparator
Analog
(1)
Input Mode
RABPU
Analog
(1)
Input Mode
Q3
WR
RD
01
IULP
WPUA
Data Bus
WPUA
PORTA
TRISA
TRISA
PORTA
Note 1: ANSEL determines Analog Input mode.
2: Not implemented on PIC16F631.
-
+V
T
ULPWUE
To A/D Converter
(2)
VSS